Cs. Kádár Péter - XXI. századi Diszkónika, 384. Még több hangot a barázdába! - Harmadik mátrix
Kellő akarattal elérhető, hogy a legrosszabb megoldás győzzön, különösen akkor, ha van hozzá elég sok pénz. Az ilyen siker azonban gyorsan kudarccá silányul.
Fél évszázad távlatából azt gondolom, hogy a CBS (Columbia) nem is akart beszállni a kvadróba, de megérezvén a vetélytársak törekvéseit, presztizsveszteség nélkül kimaradni sem tudott volna ebből a buliból. Viszont ha már beindult, akkor a lehető legkisebb kockázattal és a legnagyobb haszonnal, mindenki mást letiporva vett részt benne. Megtehette, hiszen nagyon sokan függtek a CBS jóindulatától, és álltak be a sorba mérnökök, művészek, reklámszakemberek, kiadók munkatársai. Gyorsan megszületett és hódított a CBS mátrix kvadró, az SQ.

A most következő bekezdés önéletrajz ihletésű hencegés, tehát nyugodtan átugorhatod. Mivel éppen az SQ korabeli tanulmányozása során szembesültem az USA műszakinak álcázott reklámtrükkjeivel az Országos Műszaki Könyvtár és Dokumentációs Központ Múzeum utcai épületének olvasótermében (ebből a patinás, gyönyörű palotából a rendszerváltás után kidobták a könyvtárat), tudom, hogy e bekezdést nem fogod elolvasni. Vagy mégis?

1975 szeptemberében a Budapesti Műszaki Egyetem villamoskari hirdetőtábláján megláttam a Budapesti Rádiótechnikai Gyár ajánlatát. A BRG a végzős hallgatók számára a gyár magnetofon fejlesztési osztályán tanulmányi ösztöndíj szerződést kínált (havi 1000 forint nagy pénz volt akkoriban), és a jelentkezőknek a diplomaterv elkészítésében is segítséget akart nyújtani. Én az Elektroncsövek és Félvezetők elnevezésű ágazaton próbáltam ívelni az utolsó két évet, mert előzetes információim alapján itt kellett a legkevesebbet tanulni, viszont egyrészt semmi kedvem nem volt az ágazat profiljába illeszkedő diplomatervvel bíbelődni, másrészt a magnók határozottan érdekeltek. Amikor jelentkeztem, kiderült, hogy én találhatom ki a diplomatervem témáját. Nem gondolkodtam sokat, mert már akkor bensőséges viszonyba kerültem a kvadróval, ezért a „A kvadrofónia lehetőségei a kazettás magnetofon technikában” című feladattal bíztam meg önmagamat. Sokan kínszenvedésként élik meg a diplomaterv vagy szakdolgozat készítését, én azonban lubickoltam a kidolgozásában, annál is inkább, mert a dolgozat szöveges része a XII. kerület közepe és Csepel legszéle között készült villamoson, metrón, héven és buszon az akkori szerelmemhez történő utazás közben. A rajzokat meg a szerelmem gyártotta, aki a (sajnos, szintén tönkre tett) Csepel Vas- és Fémművekben volt műszaki rajzoló; vigyáznom kellett ám nagyon, nehogy az összes ábra elkészülte előtt szakítson velem. A diplomatervem lényeges része volt egy általam tervezett és megépített, faék egyszerűségű SQ kóder-dekóder. Az SQ-ra több ok miatt esett a választás. A legfőbb ok az volt, hogy a BRG magnófejlesztése beszerzett néhány CBS SQ lemezt, és meg akartam hallgatni, hogyan szólnak. A második ok a Philips tiltakozása volt a diszkrét, négysávos kompakt kazettás rendszer ellen, hiszen az nem kompatibilis a sztereó és monó kazettás magnókkal. Az pedig nem lett volna járható út, hogy az amúgy is keskeny sávokat megfelezzük. Végül a harmadik ok az volt, hogy az SQ-nak volt a legbőségesebb szak- és reklámirodalma, volt honnan ollózni. A dolgozat bírálata elég rövid volt; az egyébként félvezető gyártással foglalkozó villamosmérnök bevallotta, hogy ő eddig erről a területről semmit nem tudott, de nagy élmény volt számára olvasni a munkámat, ezért jeles ajánl. Hasonló módon zajlott az államvizsgám is. A tanszékvezető, a magyar mikroelektronika akkor legnagyobb tudású tekintélye, Valkó Iván Péter professzor, a műszaki tudományok doktora megnyugtatott, hogy a diplomatervemmel kapcsolatban nem tesznek föl kérdéseket, mert ahhoz ők nem értenek. Ekkor javasoltam, hogy a viszonosság elve alapján a két államvizsga tantárgyból se kérdezzenek, mert azokhoz meg én nem értek. Ugyancsak sokak számára rettenetes emlék az államvizsga – nekem örök élmény maradt. Aztán a diplomatervem – jelentősen kibővítve – megjelent a Rádiótechnika folyóiratban, sorozat formájában.

Az SQ (Stereo Quadraphonic) kidolgozásakor – eltérően a korábbiakban bemutatott diszkrét és mátrix eljárásoktól – nem a térbeli hangzást, hanem a sztereó kompatibilitást tartották a legfontosabbnak. Úgy is meg lehetne fogalmazni, hogy az SQ hanglemeznek sztereóban ugyanolyan jól kell szólnia, mintha közönséges sztereó lenne, de ráadásként kvadrónak is elég jó. Jellemző, hogy amikor 1971-ben Benjamin Baumzweiger Bauer, az SQ fejlesztője először celebrálta nyilvánosan az SQ-t, nem műszaki paraméterekre hivatkozott (az bizony, elég ciki lett volna), hanem arra, hogy a közönség a hallottak alapján ítélje meg a rendszert.

Egyébként Bauer nem volt hülyegyerek; ő találta föl a legendás, vese karakterisztikájú, dinamikus Shure mikrofont, az Unidyne-t. Ez volt az első olyan dinamikus mikrofon, amelyikben nem egy gömb és egy nyolcas karakterisztikájú átalakító összekapcsolásával, hanem egyetlen átalakítóval hozták létre a vese karakterisztikát (lásd a sorozat 111. részét).

Az SQ kódoló egyenletek eredetileg a következők voltak:
Lt = Lf -j*0,707 Lb + 0,707 Rb;
Rt = Rf + j*0,707Rb -0,707 Lb

Később a jobb sztereó kompatibilitás miatt tekertek egyet rajtuk, és elkeresztelték előre irányításúaknak:
Lt = Lf + 0,707 Lb + j*0,707 Rb;
Rt = Rf - j*0,707Lb + 0,707 Rb

E két egyenletből kiderül, hogy a sztereó bal összegjelben (Lt) nincs semmi a jobb első (Lf) csatorna jeléből, a sztereó jobb összegjelből (Rt) pedig nem kerül be semmi a bal első (Rf) csatorna jeléből. Elvileg tehát sztereó lejátszáskor csak a hátsók kavarnak be, de hagyományos koncert-elrendezésben úgyis minden elöl történik, a hátsó hangsugárzók csak a térérzethez járulnak hozzá. A két hátsó csatorna (Lb, Rb) azonban mindkét összegjelben benne van 0,707-szeres (1/√2) mértékben. Ez feszültségviszonyra átszámolva 3-3 dB-t jelent, vagyis a hátsó csatornák nagyon nagy mértékben kerültek be az összegbe. A mátrix kvadró bölcsei azonban úgy vélik, hogy 3 dB már elég jelentős különbség; emlékezz rá, hogy a QS-nél 3 dB a szomszédos csatornák közötti áthallás. Az SQ-ban is játszanak a 90 fokos (j) és a 90 fokos (-j) fázistolással. Következzenek hát a dekódolás egyenletei:
Lf = Lt = Lf -j*0,707 Lb + 0,707 Rb;
Rf = Rt = Rf + j*0,707 Rb -0,707 Lb;
Lb = j*0,707 Lt - 0,707 Rt;
Rb = 0,707 Rt – j*0,707 Rt

Számolgatás helyett az alábbi ábra mutatja meg, hogy az egyes csatornákban melyik összetevő mekkora, és milyen a fázisa (0,707 kerekítve 0,7-re).

Szembetűnő, hogy az eredeti hangképben elöl középen, ill. hátul középen megszólaló hangforrást a mátrix elöl és hátul is azonos amplitúdóval adja vissza, tehát valahová a tér közepére helyezi el, ami legjobb esetben a kvadró közép-közepet jelenti. Ezt felül középre lokalizálja a hallórendszerünk, de akár elöl, akár hátul volna a helye, ugyanarról a helyről halljuk. Lényegében csak elöl, a hangkép első csücskein egyértelmű a lokalizáció, másutt bizonytalan, és az első-hátsó elválasztás pocsék. Az oly nagyon magasztalt sztereó kompatibilitás is furcsa.

A hátsó közép kioltódik, a bal közép és jobb közép szintcsökkenéssel jelentkezik, a monó kompatibilitás is elég zizi.

Az SQ alapváltozatának mind a hangképe, mind a kompatibilitása gyatra. Ez utóbbihoz hadd tegyem hozzá, hogy normális esetben azért készítünk kvadró felvételt vagy közvetítünk valamilyen eseményt élőben, mert az irányok és a tér érzékeltetésével valamit mondani is akarunk. Ha technikailag kompatibilis is egy eljárás, művészileg biztosan nem az. Az SQ alapváltozataihoz elég egyszerű áramkörökkel lehet kódert és dekódert készíteni. A következő rajz is egy egyszerű dekóder kapcsolása; szinte bármilyen npn tranzisztorral megépíthető.

Az alábbi linkről loptam:
http://www.zpag.net/Electroniques/Audio2/sq_decoder_quadraphonic.html
Az ilyen dekóderekkel hallgatva pl. a Pink Floyd SQ lemezeit, a helikopter vagy a szívdobogás szépen kering körbe-körbe, az effektek mindenfelé pingpongoznak, de a hangszerek helyzete nem stabil.

Santana egyik koncert LP-jén a szólógitár akkora, hogy a fél színpadot betölti, és néha hátra is ugrik. Viszont a közönség reakciói valóban főként hátulról és oldalról szólnak.
Itt se pöttöm a zongi, de szép, kiegyensúlyozott a felvétel. Kár, hogy csak sztereóban tudod hallgatni.
Ha ennyi hibája volt az SQ-nak, akkor hogyan lehetséges, hogy a sok ezer felvétel között akadtak jók is? A titok a hangmérnök lelkében, ízlésében és tudásában rejlik. Az SQ felvételek keverése ugyanis úgy történt, hogy a keverőasztal kvadró kimenetére rákötöttek egy SQ kódert, annak két kimenetére egy SQ dekódert, s annak négy kijáratára egy-egy végerősítőt és egy-egy hangsugárzót. A hangmérnök a négy hangsugárzó átlóinak metszéspontjában, a négyzet közepén ülve dolgozott, és addig masszírozta a hanganyagot, ameddig azon a láncon hallgatva úgy szólt, ahogyan ő azt elképzelte. Az SQ kóder kimenetéről ekkor készült a kódolt, kétcsatornás mesterszalag. A hanglemez gyártása ugyan rontott valamennyit rajta, a fő gond azonban nem ez volt, hanem az, hogy ha a lemez hallgatója nem olyan dekóderen, erősítőkön, hangsugárzókon hallgatta a korongról szárnyaló muzsikát, akkor egyáltalán nem volt biztos, hogy a szárnyalás nem satnyult szárnyaszegetté. Ez akkor is lehetséges volt, ha az otthoni berendezés lényegesen jobb volt, mint a hangstúdió eszközparkja. És az is megtörtént, hogy a végeredmény katasztrófa lett. Az egyik ilyen kudarcról így számolt be egy levelében Wendy Carlos zeneszerző és muzsikus.

„Amikor készíteni kezdtük az új "Sonic Seasonings" albumunkat, azt terveztük, hogy kvadró lesz, és az összes anyagot független négycsatornás kvadróban vettük fel a szalagra. Ezt a mesterszalagot, csakúgy, mint a "Clockwork Orange" és a legtöbb egyéb alkotásunkat már négycsatornás térhangzásban kevertük. Megpróbáltuk ezt a mesterszalagot az összes ismert és néhány alig ismert mátrixrendszeren feldolgozni. Nem örülök, hogy beszámolhatok arról, hogy az eredmények legtöbbször katasztrofálisak voltak. Pedig a legújabb, legmodernebb mátrixberendezést használtuk, ami sokkal jobb, mint az otthoni készülékek. A „Switched-On Bach” albumunkat a legjobb mátrixrendszerben, a CBS SQ-jában adták ki, de később felfedeztük, hogy némi kritikai elismerés ellenére ez a lemez a kvadró mesterszalag sápadt tükre. Ami még rosszabb, a zenei egyensúlyokat visszavonhatatlanul elrontották, így a szólókat sokszor eltünteti a kíséret. A Columbia nagylelkűen beleegyezett, hogy visszavonja ezt az albumot. Ha az SQ verzió fennmaradó példányaira bukkan, kerülje, mint a pestist! Furcsa érzés ez a profittal szemben, de hosszú távon úgy gondoljuk, hogy ez az egyetlen lehetséges döntés. Ne hagyjuk magunkat becsapni az ellenkező állítások miatt! Mindaddig egyetlen munkánk sem jelenhet meg kvadróban, ameddig egy nem mátrix rendszert fogadnak el ipari szabványként. Talán a CD-4 lesz az, mert a JVC/RCA megoldása legalább működőképes.”

Az albumból egy részletet az alábbi kép alatti linken hallgathatsz meg, sztereóban.

https://soundcloud.com/user401763695/sets/walter-carlos-switched-on-bach
Hozzáteszem, hogy Wendy Carlos tévedett. Nemcsak amiatt, mert a CD-4 is eltaknyolt, hanem azért is, mert a négycsatornás, végterméknek számító magnófelvételből a fentebb leírtak miatt nem lehet jó mátrix kvadrót készíteni; bizony, újból kellett volna SQ-ra keverni az eredeti, nyers, soksávos felvételt.
Az alapmátrix hibáinak kiküszöbölésére különböző eljárások ismertek, ezek közül a legegyszerűbb az ún. keresztkeverés. Ennek lényege, hogy a dekódolt bal első és jobb első csatornák jelei – mivel azok azonosak az összegjelekkel – ellentétes fázisban tartalmazzák a középjeleket, ha tehát e két jelet bizonyos mértékig összekeverjük, akkor a közép elválasztás – a közép elöl-közép hátul megjavul. A keresztkeverést blendézésnek is nevezték. A gyakorlatban 10-10, 10-20 és 20-40 típusú, un. kevert mátrixokat készítettek; a számok az első, ill. a hátsó csatornák százalékos átviteli tényezőjére utalnak. A dekódoló egyenletek 20-40 keresztkeverés esetén így módosulnak:
Lf’ = Lf + 0,2 Rf;
Rf’ = Rf + 0,2 Lf;
Lb’ = (Lb + 0,4 Rb)*1,2/1,4;
Rb’ = (Rb + 0,4 Lb)*1,2/1,4
A két hátsó csatorna egyenletében szereplő 1,2/1,4 a négy csatorna azonos erősítése miatt szükséges. Ha átszámolgatnád, kiderülne, hogy a 20-40 típusú blendelés az első bal-jobb csatornák 14 dB-es, a hátsó bal-jobb csatornák 8 dB-es áthalláscsillapítását eredményezi, tehát az SQ látszólagos előnye kezd elveszni. A közép elöl, közép hátul szétválasztás viszont 0-ról kb. 6 dB-re emelkedik. Sajnos, a keresztkeverés az egyébként is zavaros hangképet összekuszálja, de legalább olcsó.
Bonyolultabb az un. elöl-hátul logika (F-B logic) és a hullámillesztés. A következő ábrán, amely az elöl-hátul logika vezérlő jelének előállításáról szól, az első közép (Cf) és a hátsó közép (Cb) jelek is szerepelnek, és a 0,707-et 0,71-re kerekítették.

Egy parányit kapaszkodnod kell, de biztosan meg fogod érteni a működésének lényegét. Az A-B bejáratra a kódolt összegjeleket kötjük. A 0,71 Cf jelek fázisban vannak, a 0,71 Cb jelek nincsenek fázisban. Ha a jelek összeadódnak, Cb kioltódik, ha kivonódnak, Cf szűnik meg. Úgy is előállítható vezérlő feszültség, hogy a C-D kapcsokon megjelenő 0,71 Rb és 0,71 Lb jeleket adjuk össze, illetve vonjuk ki. Rb fázisban van, Lb nincs, tehát összeadva Lb, kivonva Rb hanyagolható el. A következőkben a C-D-G-H pontokon megjelenő jeleket egyenirányítjuk, majd páronként kivonjuk egymásból. Az egyenirányítás miatt a fázis már nem játszik. Ha a hanganyagban csak Lf és Rf van, tehát nincs hátsó jel, C-n és D-n az eltérő jeltartalom miatt a kivonás eredménye véges. G-n és H-n a 0,71 Rf azonos nagyságú, a kivonás eredménye 0. Ezt hívták úgy a CBS reklámszakemberei, hogy hullámillesztés. Ha csak Lb és Rb van, tehát nincs első jel, a C-D kapcsokon van hullámillesztés, G-H-n a jel véges nagyságú. Ha tehát kivonás és egyenirányítás után a C-D-n megjelenő jelek nagyobbak, mint a G-H-n megjelenők, akkor a műsor elöl közép jelet tartalmaz, fordított esetben hátul közepet.
Még mindig ne add fel! A következő ábra szerinti J, K, M, N műveleti erősítők erősítése feszültséggel változtatható, ezek VCA-k (lásd a sorozat 54. részét).

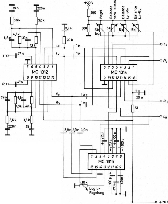
Az elöl hátul logikai és hullámillesztő egységet úgy idomítjuk, hogy ha elöl közép jel van, akkor a J-K erősítők erősítése 31 dB-vel, M-N erősítőké -14 dB-vel változzon meg. Hogy miért ennyivel, arra az SQ kitalálói sosem adtak magyarázatot. A vázlaton látható U és V jelű alkatrészek vezérelhető ellenállások, amelyek középjel nélkül szakadásként viselkednek, mintha ott se lennének. Ha megjelenik valamelyik közép jel, az ellenállásuk csökken, és automatikus keresztkeverés történik. A teljes rendszert full logicnak hívták. Az elöl-hátul logika és a hullámillesztés alkalmazása az áthallást minden irányban -20 dB-re csökkent(het)i. Azonban a szabályozás nem nulla idő alatt történik, és hüppög a hangkép rendesen, a hangforrások helye sem stabil. A tényleges áramköri megvalósítás ráadásul nagyon bonyolult, integrált áramkörök nélkül szinte lehetetlen, de bizonyos anyagcsere termékekből az IC-k sem tudnak kacsalábon forgó kvadró teret varázsolni. Ennek ellenére készültek SQ dekóder integrált áramkörök. A Motorola három IC-ből álló családot gyártott. Az MC 1312P az alapdekóder, az MC 1314P a feszültségvezérelt egység, az MC 1315P pedig a logikai áramkör.


Az MC1312P már egymagában elegendő ahhoz, hogy SQ dekóder épülhessen, és ezt az IC-t kis szerencsével napjainkban is meg lehet vásárolni. Amikor keresgélni kezdtem, hogy hol lehetne hozzájutni, a következő képen látható boltban még két darab volt belőle. Találgathatsz, kihez kerül a másik. Nyertél, én csaptam le; mindenesetre nagyon kíváncsi vagyok, hogy a gyártása után csaknem fél évszázaddal fog-e még működni?

Peter J. Show a honlapján három részből álló, nagyon részletes sorozatban mutatja be a Motorola IC-kkel megépíthető, teljes dekódert. Ritkán látni ilyen szép, gondos munkát.

Az SQ dekóderének ismertetése a következő kép alatti linken kezdődik.

https://www.petervis.com/record_players_and_turntables/quad-sq-part-1/quad-decoder.html
Gyári, önálló SQ dekóder talán csak néhány tucatnyi fajta készült, de számos rádióerősítőbe építettek SQ áramkört vagy SQ-t is.

Mielőtt néhány önálló SQ dekódert mutatok be, hallgassad meg a következő nótát!
Ennek egy SQ kóderrel készített részletét használták néhány dekóder teszteléséhez. A trombita bal elölről indul, majd a jobb első, a jobb hátsó, végül a bal hátsó felé halad. A zenekar ezután mindenhonnan csatlakozik hozzá. A sorozat 381. részében említett Marantz 4400 rádióerősítő gonioszkópján sasolták, mit művelnek az egyes dekóderek.

A hagyomány szerint a világ első SQ dekódere a Sony SQD 1000 típusa volt.

Ebbe még csak az alapáramkört rakták bele. Van elöl bal/jobb mozgás, de mindig úgy tűnik, hogy egyszerre van valami elöl és hátul is.

A második tesztalanyban, a Sony SQD 2050-ben már van elöl-hátul logikai egység.

Az elöl-hátul áthallás csillapítás kb. 12 dB. Nehezen tudja a hangot a megfelelő helyre mozgatni. Jól elválasztja az elöl közepet a hátul középtől, de az egyes csatornák elhelyezkedése még mindig kissé elkenődött. Amikor a hang hátulról szól, hallatszik egy hang elölről is. Figyeld meg, hogy a gonioszkóp általában háromszög alakú mintát mutat. Hosszú a válaszidő, de ne feledd, analóg eszközről van szó.

Ismét egy Sony gyártmány, az SQD-2020. Ebben már full logic van, Sony IC-kkel megvalósítva

Kevésbé lusta, mint a korábbi változatok.

A múlt század hetvenes éveiben piacra dobott SQ dekóderek csúcsának tekintik a Fosgate cég Tate II. 101a típusú cuccát, amelyet jelenleg 1000-1500 dollárért vágnak hozzád az ócskapiacon.

A berendezés a „Tate DES - Directional Enhancement System” (Tate iránytámogató rendszer) alapján működik. Az alapdekóder kimenő jeleinek burkolóját hasonlítja össze, hogy észlelje a pillanatnyi uralkodó irányt és ennek nagyságát a többi irány nagyságához képest. A Tate speciális integrált áramkörei változó felfutási és visszafutási időállandókat használnak a pumpálás csökkenése érdekében, és vezérlik a finomított keresztkeverést. Tulajdonképpen egy mátrixvezérlő mátrixot hoznak létre a burkolókból, és ezzel masszírozzák a dekódolt jeleket. A Tate II. 101a minden korábbi dekódernél jobban közelít a diszkrét kvadróhoz. 1982-ig gyártották.

Ugyancsak 1982-ig gyártottak egy olyan dekódert, amelyik a tesztben nyilvánvalóan nem szerepelhetett. A jellegzetes csehszlovák Tesla formatervvel bebugyolált készülék AZQ 100 típusjelzéssel készült.

A fázistolókat műveleti erősítőkkel készítették, és valamilyen logikai módszerrel, valamint keresztkeveréssel próbálták javítani a hangképet. A kapcsolási rajza alapján korrekt cuccnak tűnt.

A székesfehérvári Videotonban a kvadró iránt elkötelezett Lórodi Attila vezette kis csapat készítette el egy SQ kvadró szet prototipusát. Ebben 20-40 keresztkeveréssel bűvészkedtek, de sorozatgyártás nem lett belőle. A tapéta miatt ne szólj egy szót se!

A Tesla SQ dekódere nem véletlenül született meg, a csehszlovák Supraphon ugyanis megvette az SQ licencét, és 1982-ig több tucatnyi SQ kódolású lemezt adott ki. Ezek két kivétellel – az egyik kivétel egy beállító lemez volt – szomorúzenei LP-k voltak.

Többek között Mahler szimfóniákat, a Johanna a máglyán oratóriumot, Smetana Hazám ciklusát (benne a népszerű Moldva szimfonikus költeményt) jelentették meg SQ-ban. A Supraphon lemezek világa furcsa képződmény, mert rengeteg felvételt készítettek. Sajnos, nálunk ezek többsége még az egykori, Madách téri Csehszlovák kultúra boltjában sem volt kapható. Ezekről a lemezekről sok rosszat nem lehet mondani, rengeteg jót meg felelőtlenség lenne. Átlagos korongok, s ez vonatkozik az általam meghallgatott SQ-kra is.

Persze, nemcsak a Supraphon, hanem nagyon sok más társaság is készített SQ lemezt. Többek között az Angel, a CTI, az EMI, az Epic, az Eurodisc, a Harvest, a HMV, a Seraphim vagy a Vanguard. Válogass kedvedre!