Cs.Kádár Péter - XXI. századi Diszkónika, 109. Sok jó alkatrész kis helyen is elfér
A szigetelő alapú áramkörök ugyan sok esetben napjainkban sem helyettesíthetők másokkal, ám még nem igazi integrált áramkörök, mert csak közös tokban tartalmazzák az alkatrészeket, de ezek az alkatrészek az ellenállások kivételével még önállóak, sőt, az ügyesebbek képesek is kicserélni őket, ha meghibásodtak.
Az igazi integrált áramkörök a félvezető alapú IC-k. Az IC az integrated circuit rövidítése
Az alapötlet az volt, hogy ha egy félvezető kristályban létre lehet hozni hagyományos vagy térvezérlésű tranzisztort, akkor ugyanabban miért csak egyet lehet, miért ne lehetne többet is, ráadásul ugyanazzal a technológiával? Ezeket az áramköröket alkatrészként kezelhetjük, olyan aktív egységként, amelynek nem is kell ismernünk a belső szerkezetét, csak a paramétereit.
Nagyon sok áramköri kapcsolás azonban nemcsak eleve félvezető alapú diódákból, tranzisztorokból, FET-ekból és MOSFET-ekből épül föl, hanem ellenállásokból, kondenzátorokból és induktivitásokból is, és ezeket az elemeket össze is kell kötni egymással. Ezeket is a félvezetőben kell létrehozni – vagy sehogy, akkor pedig kívülről kell rákötni őket az IC-re.
A legegyszerűbb az ellenállások előállítása, például diffúzióval úgy adalékolják a kristály egy részét, hogy a félvezető jobban vagy kevésbé vezessen. A MOS áramkörökben a vezető sáv keresztmetszetének változtatásával lehet ellenállást készíteni. Persze, ilyenkor nem változtatjuk a MOSFET vezérlését.
A kondenzátor fém fegyverzetei gőzölögtetésével alakíthatók ki, de megfelelő kapcsolásban a MOSFET is kondenzátorként használható.
Induktivitásokat a lehető legritkábban, spirál alakú elrendezéssel szenvedve készítenek. Nagyok is, rosszak is – szerencsére, az ellenállás-induktivitás felépítésű szűrők kondenzátor-ellenállás felépítésű szűrőkkel helyettesíthetők.
Az első – és módosított formában ma is használatos – IC-k a TTL digitális áramkörök voltak. Az elnevezés a tranzisztor-tranzisztor logikából származik, vagyis ezekben az áramkörökben a logikai műveleteket tranzisztorok végezték. A tranzisztorokat ellenállásokkal állították be a megfelelő működési tartományba. A TTL IC-k tápfeszültsége 5 volt. Ezt a feszültséget ma is használják a számítógépekben. Az USB eszközök is 5 voltot igényelnek, és a midi is szereti ezt az értéket.
A legnépszerűbb TTL sorozat a Texas Instruments cég 74-es szériája volt.

Az alaptípusban négy db NAND, vagyis NEM-ÉS kapu van. Ennek a kapunak a kimenetén csak akkor van logikai 1 szint, ha mindkét bemenetén logikai 0 van. Minden más esetben logikai 0 a kimenet.
A Texas Instruments tokozása szabványt is teremtett, a „dual in line” kétsoros elrendezést. A 2×4, 2×6 vagy 2×8 láb között 0,1” vagyis kb. 2,54 mm távolság van. Rengeteg cég gyártotta ezt a sorozatot, többek között hazánk is. A legolcsóbb nálunk a szovjet gyártmányú volt, de 2,5 mm lábkiosztással, ami néha gondot okozott.

A TTL IC-k fogyasztása újabb és újabb, de még mindig TTL-jellegű technológiák bevezetésével egyre csökkent, kapcsolási sebességük nőtt.
A TTL korszakban analóg félvezető alapú IC-k is megjelentek: a műveleti erősítők.


Nevüket onnan kapták, hogy az analóg számítástechnikában matematikai műveleteket végeznek velük: összeadást, kivonást, szorzást, osztást, illetve különböző függvények – pl. logaritmikus, exponenciális, hatványkitevős, stb. – szerinti számításokat. Sőt, integrálni és deriválni is lehet a segítségükkel.
Szimmetrikus bemenetük és általában aszimmetrikus kimenetük van, a bemeneti ellenállásuk nagy, a kimeneti kicsi, tehát nem terhelik az előző fokozatot, viszont jól terhelhetők.
Az erősítésük „csupasz” állapotban nagyon nagy, jellemzően 100 dB – 100 000-szeres – fölött van. Ezt persze nem használjuk ki, mert ekkor már randán torzítanak, hanem kisebbre állítjuk be egy külső ellenállás osztóval, negatív visszacsatolással. A negatív visszacsatolás azt jelenti, hogy az erősítő kimenetéről a jel egy részét visszalökjük a bemenetre.

Nemcsak ellenállást tehetünk a szabályozó körbe, hanem szűrő tagokat is, tehát hangszínszabályzókat, korrektorokat készíthetünk velük.
Megtalálhatók egyen- és váltakozófeszültségű erősítőkben, keverőkben, mérőműszerekben, rezgéskeltőkben, szabályozástechnikai áramkörökben is.
A hangfrekvenciás alkalmazásokban a legfontosabb paraméterek közé a maximális kimeneti feszültség, a kimeneten mérhető maximális jelváltozási sebesség és a közös módusú elnyomás tartozik.
A kimeneten mérhető maximális jelváltozási sebesség (SR, slew rate) azt mutatja meg, milyen gyors az erősítő. Négyszögjellel mérik, és V/µs-ban adják meg. Az ábrán a piros a bemenő, a zöld a kimenő jelalak.

A közös módusú elnyomás (CMRR, common-mode rejection ratio) azért fontos, mert ha mindkét bemenetre ugyanakkora jelet adunk, akkor azokat az áramkörnek ki kéne vonnia egymásból, hiszen az egyik bemenet fázist fordít: a kimeneten nulla lenne a feszültség. Valójában nem annyi, valami kicsike megjelenik, ami zavaró lehet. A CMMR-t dB-ben adják meg.
A korai műveleti erősítők elég zajosak voltak, és piszkosul gerjedtek, de ez már a múlté. Miként joggal feledtük el az első sztereó dekóder IC-ket vagy végerősítőket is. Pedig még most is kaphatók. A fénykép egy 20 wattos végerősítőről készült, hűtőborda nélkül.

A TTL és TTL jellegű áramkörök legfeljebb néhány száz alkatrészből álltak. Így is sokat fogyasztottak és lassúak voltak ahhoz képest… Mihez képest? Napjainkban nem ritkaság a több milliárd tranzisztort tartalmazó IC sem. Ezt a fejlődést a MOS technológia, illetve a CMOS elrendezés tette lehetővé. Elárulom, hogy a tranzisztorszám növekedése egy pöppet csalóka, mert gyakran sok tranzisztort kapcsolnak párhuzamosan, hogy az így kialakított eredő tranzisztor jól bírja a gyűrődést. Olyan ez, mint amikor egy hosszú tehervonat elé két mozdonyt kötnek – vagy korábban a több lóval hajtott fogat.

A TTL és a MOS rendszert hasonlítja össze a táblázat.

A kimeneti terhelhetőség azt mutatja meg, hogy egy digitális kapukimenetre hány kapubemenet csatlakoztatható. A CMOS-ra elvileg rengeteg, mert a MOSFET-ek bemenő impedanciája több GΩ is lehet. Noha a gyalog CMOS-ban lassabban terjed a jel, mint a TTL-ben, de a kicsit drágább HCMOS áramkörökkel 2ns alá is tudnak már menni.
A digitális MOS áramkörökben nincs passzív alkatrész, illetve, igyekeznek mindent MOSFET-ekből kialakítani.

A CMOS áramkörök jellegzetes alkalmazása a processzorok világa. A számítógépek központi egysége a mikroprocesszor.

A mikrovezérlők a mikroprocesszorokhoz hasonló, nagy bonyolultságú, programozható digitális áramkörök. Elterjedésük egyik oka, hogy utasításkészleteik gyorsan elsajátíthatók.
A mikrovezérlők szeretnek téged, a belük barátságos, így például tartalmazhatnak analóg-digitális vagy digitális-analóg átalakítót. Viszonylag olcsók, és jól használható kézikönyvek magyarázzák el, hogyan kell programozni őket.


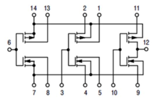
Nemcsak digitális, hanem analóg MOS IC-k is léteznek. Elsősorban műveleti erősítőket gyártanak ezzel az eljárással, de hangfrekvenciás célra gyakoribbak a jFET bemenetű áramkörök. Az alábbi IC-család (TL 081-84) nagyon elterjedt az olcsó áramkörök világában.

A TL 084 változatban négy műveleti erősítőt is tettek egy tokba. Néhány kiegészítő külső alkatrész segítségével remek előerősítő vagy hangszínszabályzó is készíthető belőle, és egyes változatai nagyon kis zajúak. Az IC smd változatban is kapható, és számos cég kínálatában szerepel. Az ára 100 forint alatt van.
