Cs. Kádár Péter - XXI. századi Diszkónika, 228. Táblába zárt hullámok
Az analóg szintetizátorok oszcillátoraival csak néhány hullámfajtát – szinusz, emelkedő fűrész, csökkenő fűrész, háromszög, négyszög –, illetve fehér- és színes zajokat tudtak előállítani. Ezeket összegezték vagy szűrték, és masszírozták mindenféle effekt-áramkörökkel, de elég gyorsan kimerült a hangzáskészletük.
Már igen korán, úgy 50 évvel ezelőtt, többekben fölmerült az a gondolat, hogy nemcsak ezekből az egyszerű jelekből, hanem ennél bonyolultabb jelformákból is lehetne hangokat szintetizálni úgy, hogy egy-egy ilyen jelformát sokszor ismételgetne a hangszer. Sőt, a hullámforma „fejlődését” is lehetne követni. Képzeld el, hogy az első hullámforma egy szinuszos jel egyetlen periódusa! Ehhez aztán egyre több páratlan harmonikust adunk hozzá, hogy minél tökéletesebb négyszögjelet kapjunk.
Az iménti videóban semmi új nem volt, azonban még azt is képzeld el, hogy a szinuszból a négyszögig tartó folyamathoz nemcsak 9, hanem 63 db harmonikust adunk, és minden egyes hullámformának egy-egy periódusát eltároljuk. Így lesz tehát 64 különböző rezgésünk, 64 különböző hangszínnel. Az egyes hullámformák tárolója digitális memória. Mivel egy-egy tárolt jel egyetlen periódus, a memória mérete nagyon kicsi is lehet, ami régebben fontos szempont volt. Ha ebből a memóriából egymás után olvassuk ki az egyes hullámformákat, egy hangszín felépülését hallhatjuk, tehát dinamikusan épülhet föl egy hangzás. Egy-egy ilyen sorozatot egyetlen rezgésnek foghatunk föl. A kiolvasás sebességétől a hang magassága függ; e sebességet változtathatjuk is. Mi több, egyidejűleg több sebességgel is végig söpörhetünk a hullámformákon, így még dúsabb hangzást kaphatunk, ha a két vagy több jelet összeadjuk, mint additív szintézis esetén. Nem kell mindig, minden hullámformát használni, illetve, bármelyiket tetszés szerinti mennyiségben használhatjuk. A hullámtábla tartalmát nemcsak odafelé, hanem visszafelé is lehet olvasni. A jel modulálható is a szokásos módon, LFO-val. Ráadásul úgy, hogy akár minden egyes hullámformát másképp modulálunk. Használhatunk ADSR burkolókat is. Nemcsak egyetlen rezgésgyűjteményünk – szakkifejezéssel hullámtáblánk – lehet, hanem bármennyi is, a legkülönbözőbb hullámformák egy-egy periódusával megtöltve a tábla egyes rekeszeit. A következő példák néhány valóban elkészített hullámtábla hullámformáit mutatják be (Néhány rekesz üres, ott szimbólumok vannak az ábrákon).




A hullámtáblákat egyszerre is használhatjuk úgy, hogy az egyes hullámtáblákból kiolvasott rezgéseket összegezzük, mint a hagyományos additív szintézis esetén. Több összegzés is lehetséges hát: az egyik az azonos hullámtáblából történő, egyidejű, különböző sebességű kiolvasások, a másikat a több hullámtábla egyidejű használata teszi lehetővé. A kiolvasás sebességét az határozza meg, hogy a kiolvasó áramkört működtető oszcillátornak mekkora a frekvenciája. Ezt a frekvenciát – ami kicsit olyan, mintha mintavételi frekvencia lenne –, úgy kapjuk meg, hogy a kívánt hangmagasságot megszorozzuk a hullámformák számának kétszeresével. Ha pl. a kívánt hangmagasság 3,5 kHz, akkor 3 000*64*2 = 448 000 Hz lesz az oszcillátor frekvenciája (illetve, egészen picit magasabb.). 40-50 évvel ezelőtt ilyen magas frekvencián csak az előző részben említett, fázisakkumulátoros oszcillátorok tudtak stabilan működni. Látható, hogy egy-egy hullámformát gyakran az előzőtől lényegesen különböző hullámforma követ. Mi több, az egyes hullámok eredetileg nem is ott kezdődtek, ahol a másik véget ért, és ez pattanásokhoz vezetett volna. Hogy elkerüljék a hirtelen váltást és a pattanást, a lejátszás során számolással – interpolációval – passzíthatók egybe a rezgések. Úgy is felfogható az interpoláció, hogy mivel a hullámtábla nem végtelen számú hullámformát tartalmaz, a két hullámforma közötti, de a táblában nem szereplő, közbülső hullámformákat ki kell számolni. E számolás során a kiolvasott jelek átmeneti memóriába kerülnek, majd az interpoláció végeztével ki is vonulnak onnan.
A hullámtábla szintézis egyik élharcosa Wolfgang Palm volt. Nem japán, nem amerikai, hanem német, s erre ma is büszkék a szülőhazájában. Az 1950-ben született fazon gyermek- és ifjúkorában gitárt fabrikált, és iskolai bandákban pengetett, egyetemi tanulmányai során – mérnök-fizikusnak készült – énekelt és Farfisa kompakt orgonán játszott.

Aztán épített egy szintetizátort, és szerette volna, ha az úgy szól, ahogy a Minimoog . Az egyetem elvégzése után föladta muzsikusi ambícióit, és csak szintetizátorok készítésével foglalkozott.

Az 1974-ben alapított cégét PPG-nek nevezte el (Palm Products GmbH). A PPG első hullámtábla szintézisű szintetizátora a Wavecomputer 360 volt, amelyet 1977-től 1980-ig gyártottak.

A hangszer 30 db hullámtáblájában táblánként 64 hullámformát tárolt, igaz, csak 8 biten, és a DA átalakítója is 8 bites volt. Az első változat négyszeres, a második nyolcszoros polifóniát tett lehetővé. Összesen 40 példány készült belőle.
A hangszert neves zenészek próbálták ki, de nem tartották igazán kiválónak, mert zajos és vékony volt a hangja, továbbá hiányoztak a zsíros basszusok.. A hullámtábla szintézis elvileg szűrők nélkül is jó, a valóságban hiányzott az analóg szűrők lágyító és zajszűrő hatása.



Az ezt követő „PPG Wave” sorozat tagjaiban a digitális hullámtáblához analóg VCA-k és 24 dB/oktávos VCF-ek csatlakoznak, ezek tehát hibrid szintetizátorok. Újszerű volt az LCD-s vezérlő panel és az ismétlő (szekvenszer) is; az utóbbi képes volt a szűrés és a hullámtábla változásainak valós időben történő rögzítésére. A Wave-sorozat lelke a Motorola 6809 mikroprocesszor volt.

A sorozat első tagja a PPG Wave 2. Ez 8 bites rendszer, egy oszcillátorral és nyolcszoros polifóniával.

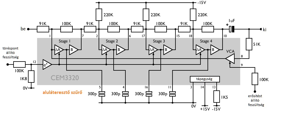
Az analóg szűrők a CEM3320 típusú műveleti erősítők köré épültek.

A listaára 1981-ben 7 000 dollár volt, vagyis mai árfolyamon kb. 20 ezer dollárért mérték. A szintetizátor 8 sávos ismétlővel további
1 500 dollárral többe került. A Wave 2 olyan sikeres volt, hogy havonta 20 darabra kapott megrendelést az akkor 5 főből álló cég.






A második tag a PPG Wave 2.2, 16-szoros polifóniával, két oszcillátorral. Ez már duotimbrális hangszer. 1982 és 84 között gyártották; az utolsó változatokban már volt midi. Az induló listaára 7 800 dollár volt, ami ma 21 ezer dollár lenne.


Egy akkoriban igen elterjedt, pl. a Korg által is használt szűrővel, az SSM 2044-gyel váltották föl a CEM 3320-at.



A szintetizátor kiegészíthető a szintén 1982-ről gyártott Waveterm A nevű szerkesztővel.

A szerkezet érdekessége a két hatalmas, 8”-os flopi meghajtó.

Az egyikbe a rendszerlemezt kellett betenni, a másikba pedig azt a lemezt, amire a felhasználó, pl. a muzsikus, a saját munkáját akarta menteni. Flex 9 nevű operációs rendszert használt, amelyre tán már senki nem emlékszik. Én pl. csak e sorozatrész írásakor olvastam róla először, de óvakodtam attól, hogy elmélyedjek benne.
A készülék mintavételre is alkalmas volt.
A harmadik tag, a PPG Wave 2.3, már 12 bites rendszer, oszcillátorokból itt is 2 darab van. A timbralitása nyolcszoros lett, a listaára pedig 1984-ben 10 ezer dollárról indult, ami most úgy 25 ezer zöldhasút jelent.

A 12 bites felbontás némileg csökkentette a készülék hangjainak karcosságát.



A PPG EVU a Wave 2.3 billentyűzet nélküli változata.

A PPG Wave 2.3-hoz és az EVU-hoz az 1985-ben piacra dobott Waveterm B szerkesztő csatlakoztatható.

A flopi mérete 5,25”-ra csökkent, a belső memória mérete pedig nőtt.

Ez a készülék a 16/32 bites Motorola 68000-es processzorral működött, de a visszafelé kompatibilitás miatt volt benne 5809-es processzor is. A 68000 a korszak legelterjedtebb mikroprocesszora volt; feltűnhetett, hogy nem Intel és nem AMD. Persze, mai szemmel a kb. 68 ezer tranzisztor (erről kapta a nevét) csekélységnek látszik. A Waveterm B digitál-analóg átalakítója 16 bites.
A PPG kiegészítőket is készített a szintetizátoraihoz. Ezek egyike a hat oktáv terjedelmű, billentésérzékeny PRK (processor keyboard, processzor billentyűzet). A fából készült billentyűket műanyag lap takarta.

Ennek a billentyűzetnek még nem volt midi vezérlője, utódjának, a PRK FD-nek viszont volt, hiszen a Wave 2.3, a Waveterm B és az EVU is midizhető volt.

A PRK billentyűzetekhez akár hat memóriabővítő kártyát is lehetett csatlakoztatni.

A PPG egyik különleges gyártmánya 1986-ban a merevlemezes felvevő, a HDU (harddisk unit).

A vinyó a múlt század nyolcvanas éveiben még nagyon drága volt; az ebben a kütyüben használt 85 MB-os példány valószínűleg többe került, mint mostanság egy 10 TB-os példány. A hangtechnikában még csak kóstolgatták a vinyókat, ám a PPG-nek erős versenytársa lett a Sinclavier, amely szintén merevlemezes felvevővel lepte meg a piacot, egyidejűleg a PPG-vel. A PPG 16 bites merevlemez-felvevő rendszere a Texas Instruments két darab TMS 32010 digitális hangprocesszorán (DSP) alapul, amelyet a Motorola 68000 processzor vezérel. Egyelőre nem megyünk bele a DSP-k lelki életébe, csupán megmutatom a tömbvázlatát.

A kütyüvel összesen 12 percnyi nótát lehetett rögzíteni. Tudtak vele vágni, zengetni, hangmagasságot változtatni, fázist tekergetni, időt nyújtani és csöves erősítőt utánozni.


A PPG Expander egy újabb bővítő volt, amivel adatkazettába gyömöszölt mágneses szalagra lehetett rögzíteni – ez akkoriban elterjedtebb volt, mint a vinyó –, de bele lehetett barkácsolni egy második merevlemezt is.

A PPG a 20. század nyolcvanas éveiben az egyik legmodernebb, a technológiai változásokkal folyamatosan lépést tartó, igényes cuccokat gyártó vállalkozás volt. Egyetlen dologgal nem számolt csupán: a vetélytársakkal. Az olyan tömegtermelőkkel, amilyen pl. a Yamaha. A konkurencia jóval olcsóbban termelt, és nemcsak szintetizátorok gyártásából élt. A PPG-nek ráadásul nem volt saját alkatrészgyártói bázisa, abból építkezett, ami a piacon kapható volt. Néhány százas sorozatokra a félvezető gyárak nem fejlesztettek. 1986-ban bemutatott még a cég egy űrkorszaki modern szerkezetet, a Realizert, amiben 8 DSP is volt, tudta utánozni a Minimoogot, lehetett vele hullámtábla mintavevő és szögmodulációs módon hangot szintetizálni, színes monitora volt, össze volt kötve egy HDU-val, teljeskörű midi volt benne. A listaára 65 ezer dollár (mai árfolyamon 153 500 dollár) lett volna, de egyetlen kufárnak sem kellett.

S bár nem ment csődbe, a céget 1987-ben fölszámolták. A hullámtábla szintézis története a PPG-vel nem zárult le, sőt