Cs. Kádár Péter - XXI. századi Diszkónika, 272. Már megint itt van a szerelem
Az elmúlt fél évszázadban minden nevesebb szintetizátor gyártó próbálkozott a vokóderrel. Igazán jót azonban keveseknek sikerült készíteni. Most a három klasszikust és azok utódait mutatom be.
A legendák közül már futólag említettem az előző részben a Sennheiser VSM 201 típusát.

1978-ban 16 ezer nyugatnémet márkáért mérték, ami mai árfolyamon kb. 65 ezer eurót ér.
Az eredeti vas azonban nagyon ritkán bukkan föl a régiségvásárokon, mert 100 példányt se gyártottak belőle, s ebből kettő a Kraftwerké, másik kettő Herbie Hancocké lett.

Az átviteli tartománya 100 Hz és 8 kHz között van, a 20 szűrő kiemelkedően jó. A mikrofonbemenet érzékenysége nem igazán izmos, 2,5 mV, ám többnyire úgyis keverőasztalról hajtották meg, az akkoriban szokásos +6dBm-es névleges szinten. Biztosan emlékszel rá, hogy a dBm-ben az m betű azt jelenti, hogy a lezáró impedancia 600 ohm, a +6 dBm pedig 1,55 Veff.

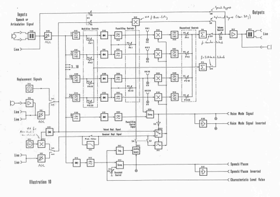
A vokóder tömbvázlatát megszemlélve úgy tűnik, semmi különleges nincs benne, csupán szolgaian megvalósították a vokóder alapkoncepcióját, és a bemenetre tettek kompresszort. Semmilyen egyedi céláramkört nem használtak, csak néhány korabeli, a boltokban kapható integrált áramkört és egy rahedli tranzisztort.

A Boney M. stúdiózenészei is használtak Sennheiser vokódert.

A VSM 201-ben mintaszerűen valósították meg a két, egyenként húsz sávos szűrő egységet.

Joggal mondhatod, hogy ha amúgy sem lehet egy ilyenhez jutni, meg különben is, elavult, akkor mit lelkendezek. Olyan ez, mint az első szerelmed. Sosem felejted el, de ha most összefutnál vele az utcán, örülnél, hogy nem vele kötötted össze az életedet. Pedig igazságtalan vagy, s nemcsak amiatt, mert te sem lettél kívánatosabb. Amikor 2020. nyarán a francia XILS Lab szoftvercég bejelentette, hogy forgalomba hozza a Sennheiser vokóder emulátor bővítményét, az XILS 201-et, nagyon izgatott lettem. Mondhatnám, izzadt a tenyerem.
Egyszersmind meg is nyugodtam, hogy nemcsak én szerettem bele az eredeti jószágba, hanem végre mások is kiélhetik a retró vágyukat. A fizikai modellezésű szintézisen (lásd a sorozat 247. részét) alapuló szoftver fejlesztői hűségesen ragaszkodtak a legapróbb részletekhez, még a mintakép fogantyúját is utánozták.

Az XILS 201 szolgáltatásai a mai korigényeinek megfelelően kiegészültek kórus, fázistoló, késleltető és egy korai digitális zengető modelljével. Ezek külön multieffektként is használhatók.

Minden paraméter midi üzikkel masszírozható.
A program sajnos nem ingyenes, a teljes változat 109 euróért tölthető le.
https://www.xils-lab.com/products/xils-201-vocoder-p-165/download.html#

A demóért nem kell fizetni, de nem lehet midivel vezérelni, a beállítások nem menthetők el, viszont a hangja… az tényleg olyan, amilyennek egy vokódertől … nem is … „A” vokódertől elvárható. Én Reaperrel próbáltam ki. Időnként lefagyott, remélem, hogy a teljes változat nem szarozik majd, ha egyszer valaki rendesen feltöri, mert fagyott szerelem kell a fenének.
A brit EMS cég 2000 típusjelzésű vokódere 1976-ban hódított. Noha csak 16 sávos szűrői voltak, egyszerű kezelése miatt kedvelték.

Az EMS 3000 egy év múlva már pilótavizsgás volt.

Áramkörileg nem tudott többet, mint az előző típus, viszont a szűrők szintje egyenként állítható volt.

A 2000-rel egyidejűleg fejlesztett EMS 5000-ből nemcsak a BBC vásárolt, hanem a Westdeutsche Rundfunk is, darabonként 5 000 forintért. Ja, bocsi. 5 000 fontért, ami ma 32 300 fontnak, azaz több, mint 13 millió forintnak felel meg.

A szűrők 22 sávosak voltak, és egy mátrixon „mindent mindennel” össze lehetett kötni. Ennek a vokódernek is készült emulátora, mégpedig ugyanannál a XILS cégnél, amelynél a Sennheisernek.

A grafikai kivitelezés itt is pazar, s kétségtelen, hogy telepítés és a hangmunkaállomás effektek (plugins) mappájába történő .dll másolást követően azonnal megszólal valami. A profik dolgát viszont a kissé pontatlan kezelési útmutató nehezíti.
Az XILS 5000-ből is van demó változat, amit az alábbi linkről tölthetsz le:
https://www.xils-lab.com/products/xils-vocoder-5000-p-152.html#

Nagyon szórakoztató, hogy a mátrixban egérrel is változtathatod a kapcsolatokat. Az XILS 5000 másképp szó, mint az XILS 201. Nem rosszabbul, kicsit tán lágyabban, kevésbé mérnökien, zeneibben. Ha az EMS 5000-et a VSM-201-gyel azonos időben megismerhettem volna, bevállaltam volna a bigámiát. A program használatát Reaperben mutatja az alábbi videó.
A harmadik nagy klasszikus a Moog 16 sávos vokódere. Ez a vas az eredeti kapcsolás alapján újragyártva– néhány, a működés szempontjából lényegtelen változtatás, pl. jobb táp, strapabíróbb csatlakozók – 2020. decembere óta ismét kapható, s jellemző, hogy már 2020. tavaszán is felvettek a nagyobb kereskedők előjegyzéseket, ha leperkáltad (volna) a 4 999 dolláros vételárat. Nincs ám kartellezés, á, dehogy, csak véletlenül mindenütt ugyanennyit kértek.

Az eredeti vasat 1978-tól kezdve forgalmazták, az alábbi nótával reklámozva.

Most meg például ezzel:

A 16 szűrő 50 és 5 080 Hz között osztja föl a bemenő jel frekvenciasávját, de egy alulvágó/felüláteresztő szűrő után az 5 kHz fölötti tartomány is hozzákeverhető a kimenő jelhez, a beszédérthetőség javítása céljából.

Az „új” Moog effektjei lábkapcsolóval is vezérelhetők, a „sample/hold” funkcióval egy-egy hang akkor is tartható, ha az énekes levegőt vesz, mielőtt megfulladna. Ennek a kütyünek is szabadon variálhatók az egyes részei, és külső egységek is köthetők hozzá – pl. egy Moog moduláris szintetizátor

A 16 sávos Moog vokódernek is lett emulátora, mégpedig az Arturia 2020. karácsonyi meglepetéseként.

Legalábbis a Moog vokódere volt a kiinduló pontja az Arturia V sorozat legújabb, önállóan és bővítményként egyaránt futtatható tagjának. A listaára 199 euró.
A demó verzió az alábbi linkről tölthető le:
https://www.arturia.com/component/com_myarturia/id,409/view,demo/

Ha becsszóra megígéred önmagadnak, hogy semmilyen üzleti célra nem használod föl, és letöltés után nem lépsz le, akkor elárulom, hogy már 2021. első hónapjának közepén föltörték a teljes, 28 alkalmazást tartalmazó Arturia V8 programcsomagot. Ne csüggedj, a telepítés akár több órán keresztül is eltarthat!

Mint minden Aturia virtuális alkalmazás, a vokóder is processzor- és memóriafaló, tehát csak bikaerős gépen érdemes futtatni. Ám ha ettől eltekintünk, olyan szolgáltatásai vannak, amitől elámul az ember. Nagyon praktikus például a „mindent egybe!” példaszerű megvalósítása, vagyis, hogy a vokódert kiegészíti egy szögmodulációs szintetizátor és egy mintavevő-játszó rész. Kb. 700 beépített hangminta használható föl vokóder-effekt előállításhoz, akár anélkül is, hogy beszélned kéne a készülékbe. A mintavevővel te is rögzíthetsz saját hangmintákat. A Moog-vassal ellentétben minden midizhető. Az „akkord” módban az ütősök hangját akkordokra bontja föl. Ha a vokóder tetejét felnyitjuk, állítgathatjuk az összes elképzelhető paramétert, ideértve a 11 fajta effektet is – én órákon át játszottam a demóval, hiszen csak a gyári, tárolt beállítások száma kb. 250. És egyik izgalmasabb, mint a másik. . Érdemes hát kipróbálni, a Moog cuccokat imádók biztosan szeretni fogják, az Arturia fanok – amilyen én is vagyok – azonban nem biztos, hogy ezt a programot fogják a legjobbra értékelni, ha majd megjelennek az első tesztek. Bár az eredeti vasat alkalmasint, a változatosság kedvéért, szívesen láttam volna a vokóder hárememben.
