Cs. Kádár Péter - XXI. századi Diszkónika, 358. Fékezett habzású zajcsökkentők - utolsó flakon
Amikor egy fejlesztés szerencsétlenül kezdődik, nem biztos, hogy szerencsétlenül is fejeződik be. A Telefunken zajcsökkentőinek és magának a cégnek a története azonban semmiképpen sem a boldog vég egy szappanopera utolsó epizódjából.
A 20. század elején két német kutatócsoport munkálkodott a vezeték nélküli kommunikációs technikák kifejlesztésén. Az AEG a német császári haditengerészet számára hozott létre rendszereket; a másik, a Siemens, a német hadseregnek dolgozott. Amikor a két cég között szabadalmi vita alakult ki, II. Vilmos császár mindkét felet sürgette, hogy egyesüljenek.

Még nem alkottak egy vállalatot, amikor az egyik közös fejlesztésük egy villanymozdony volt, amelynek sebessége elérte a 210 km/órát.

1903. május 27-én létrejött a „Gesellschaft für drahtlose Telegraphie System Telefunken” nevű vegyesvállalat. A cég távirati címe Telefunkenre rövidült. Hogy a cégek haszonélvezői ne nagyon nehezteljenek a királyi önkény miatt, a császárság befektetett a vállalatba; az új cég alaptőkéje 300 ezer aranymárkával nőtt. Ez az összeg száz darab kész automobil vagy 11 nagy ház árának felel meg Berlinben. Nem mondható, hogy csillagászati volt az összeg, de tekintve, hogy maguk az egységek már léteztek, és nem igényeltek különösebb befektetést, ebből a pénzből „szép szaftos cseresznye lett egy nagy ipari tortán” – ahogy ezt a konkurens brit-olasz cég, a Marconi vezetői értékelték. Az új társaság részvényei egyenlő arányban oszlottak meg az AEG és a Siemens & Halske között. A Telefunken és az AEG elnevezések egyébként szövevényes módon tűnnek föl egyes cuccokon. Ha az alábbi logó kellemetlen képzettársításokat kelt benned, az nem véletlen. Kemény, erőszakos, barátságtalan.

A Telefunken gyorsan a rádiózás és az elektronika jelentős szereplője lett.

Az I. világháború előtt a cég létrehozta az első világméretű kommunikációs hálózatot, a háború alatt pedig rádiókészülékeket és távíró berendezéseket szállítottak a katonaság számára, valamint megépítették az egyik első rádiónavigációs rendszert a léghajós haderőnek. A Telefunken Kompass Sender 1908 és 1918 között működött, lehetővé téve a Zeppelineknek, hogy az egész Északi-tengeren bármilyen időjárási viszonyok között navigálhassanak.

1928-ban a Telefunken történelmet írt azzal, hogy megtervezte a V-41 erősítőt a német rádióhálózat számára. Ez volt a legelső kétfokozatú, " Hi-Fi " mikrofon előerősítő. Megjelenésekor a V41 a technikai vívmányok mérföldköve volt. A lelke az acél burkolatú EF 12 pentóda volt, amelyet még évtizedekig gyártott egy csomó vállalat.

A V-41 frekvenciakompenzált erősítésszabályozást tartalmazott egy fokozatkapcsolóval, amely lehetővé tette a felhasználó számára, hogy váltson 20/25/30/35/40/45/50 dB között. A V-41 hamarosan a műsorszóró rádióállomások előerősítője lett egész Németországban és Európa egyes részein.

Idővel a Telefunken tökéletesítette terveit, és 1950-ben kifejlesztették a V-72 erősítőt. A becslések szerint 25 ezer V-72-es modult építettek csak a német rádióhálózat számára.

V-72 típusú erősítőkből épült föl az Abbey Road stúdióban használt, EMI gyártmányú REDD.37 keverőasztal.
Ezzel a keverőasztallal készült számos Beatles felvétel.
Te is használhatod e keverőasztal egyik moduljának számítógépes utánzatát, ha a bővítmény tömörített telepítőjét letöltöd a kép utáni linkről.

https://plugins4free.com/plugin/2334/
Kicsomagolás után nemcsak a telepítőt (Windows esetén egy .exe filét) kapod meg, hanem egy nagyon jó kezelési utasítást is. A telepítő futtatása létrehozza a bővítményt – Windows esetén .dll fileként – , amit csak be kell másolnod a hangmunkaállomásod bővítmények (Plugins) mappájába, és már használhatod is.

A Telefunken gyártotta az 1936-os berlini olimpia televíziós közvetítésének eszközeit. A tévés fejlesztéseket a Birodalom Propaganda Minisztériuma és személyesen Goebbels irányította.

Goebbels szerint a tévé ideális eszköz az agymosásra és a tömegek hangulatának szabályozására. Emiatt folyamatosan és nagylelkűen biztosította a Telefunken finanszírozását, egészen az akut forrásproblémák megjelenéséig, azaz 1944-ig.

1932-ben a Telefunken hanglemezkiadó lett, és elektronikus erősítőjű gramofonokat is gyártott. Ennek érdekében jött létre a Telefunken-Platte GmbH leányvállalata (a későbbi Telefunken-Decca, TELDEC), amely nemcsak zenekarok és énekesek produkcióit rögzítette (meg Hitler beszédeit), hanem saját maga is megalakította a jazz rajongóinak körében jól ismert Telefunken Swing Orchestra Big Band-et. Ez az együttes az egyetlen jazz-zenekar, amely a náci párt ideológiai tilalma és a Reichsmusikkammer (a náci zenei kamara) tevékenysége ellenére is létezett Németországban. Ez nagyrészt azzal magyarázható, hogy a náci párt nem akart veszekedni a vállalkozással, amelynek sikerétől sok tekintetben függött a Birodalom jövője. A muzsikusok között persze nem lehettek zsidók.

A második világháború alatt a Telefunken vákuumcsövek, adók és rádiórelé rendszerek szállítója volt, és a légi bombázások elleni német légvédelem részeként radarberendezéseket és iránykeresőket fejlesztett ki és gyártott. A 40 ezer dolgozó kb. negyedrésze a koncentrációs táborok fogja volt.

A Telefunken a náci hadigépezet részévé vált, emiatt a háború után rövid ideig kegyvesztett lett ugyan, a szövetségesek rengeteg cuccot foglaltak le, de már 1945 őszén újraindult a Telefunken csöves vevőkészülékek gyártása, amelynek műhelyeit az egykori dachaui koncentrációs tábor laktanyájának helyiségeiben nyitották meg. Az új üzem neve Apparatewerke Bayern, Dachau.

Az 1950-es évek elején a Telefunken összes nyugat-berlini gyárát áthelyezték az NSZK-ba. Az ok egyszerű: a megszállási törvény tiltotta a radarberendezések gyártását Berlinben, és ez a terület az, amely új életet lehelhet a cégbe, ez ígérkezik a legjövedelmezőbbnek, hiszen a Telefunken az NSZK újrafelfegyverezésében ismét fontos szerephez jutott. Amúgy az ilyen tiltások, embargók, szankciók nagyon szórakoztatók is tudnak lenni. Pl. eredetileg megtiltották a szövetségesek, hogy Németország területén nagyteljesítményű hosszú-, közép- és rövidhullámú műsorszóró rádióállomások működjenek. Ennek következtében mindkét Németországban villámgyorsan létesültek az urh sávú adóhálózatok, és új, korszerű hangminőségű vevőkészülékek millióit értékesítették, amelyek a frekvenciamodulációs adásrendszer következtében szebben szóltak, és később lehetővé vált a sztereó rádiózás is. Aztán a tiltást senki nem vette komolyan.

A Telefunken tehát továbbra sem csupán katonai, hanem polgári – stúdiótechnikai és fogyasztói – eszközöket is fejlesztett és gyártott.

Az otthoni magnói kevésbé, ám az analóg stúdiómagnók nagyon népszerűek voltak – és persze ez utóbbiak nagyon jó minőségűek. Kiválóak voltak a tv-készülékei és annak alkatrészei is. Az Orion 1959-től gyártott AT 403-as tévéiben például Telefunken képcső volt; onnan tudom, hogy a szüleim ilyet vettek részletre abban az évben a télapó ajándékaként, és amikor először kellett javítani, nem értettem, mi az a felirat a csövön. (A későbbi, AT 403 Tisza tévé hasonlóan nézett ki, de abban már Tungsram képcső volt.) A képcsőért cserébe az Orion komplett tévéket szállított a Telefunkennek – Telefunken márkajelzéssel.

A múlt század hatvanas éveinek második felében az otthoni híradástechnika csúcsa és egyben a fejlesztések fő iránya a színes televízió volt. Három analóg színes tv rendszer és azok gyártói meccseltek egymással: az USA-ban rendszeresített NTSC, a francia SECAM és a német PAL. Ez utóbbit fejlesztette ki a Telefunken mérnöke, Walter Bruch, aki már említett berlini olimpián operatőrként kezelte az egyik kamerát.

Ezzel el is érkeztünk a Telefunken zajcsökkentőihez. Az AEG-Telefunken távközlési és kábeltechnikai részlegében volt egy kifejezetten professzionális elektroakusztikus és stúdiótechnikával foglalkozó kis csoport; a wolfenbütteli ELA. E csoport vezetője kezdetben Bruch professzor volt. Wolfenbütter jellegzetes német kisváros Alsó-Szászországban, és ha azt írom, hogy innen származik a Jägermeister, azonnal képben vagy.

Az ELA-ban dolgozott Jürgen Wermuth fiatal fejlesztőmérnök, aki többek között alacsony zajszintű mikrofonerősítőkkel is foglalkozott. Abban az időben az AEG-Telefunken a londoni Dolby Labs kizárólagos európai értékesítési partnere volt; a professzionális magnókban használt Dolby-A zajcsökkentőket (lásd a sorozat 351. részét) árusította. Jürgen Wermuth is használt Dolby A-t, és nem volt elégedett vele. Ezért szabadidejében hozzálátott egy sokkal jobb zajcsökkentő fejlesztéséhez. A kutakodás a hetvenes években kezdődött. A következő problémákat akarta megoldani:
• erőteljesebb zajcsökkentés;
• a pontos szintezés alóli mentesség;
• függetlenség a spektrális összetevők változásaitól.
Wermuth a következőkre jött rá:
• A kompresszorokban és expanderekben FET-eket alkalmaztak változó ellenállásként. Ahhoz, hogy ezeket kis torzítással lehessen használni, ellenállásokból és kondenzátorból álló szűrőket építettek a FET köré. Ezek azonban kedvezőtlenül befolyásolták a gyors szabályozási folyamatokat, tehát rongálták a tranzienseket, a hang finom szerkezetét. Wermuth megoldása RC szűrők helyett csak műveleti erősítőket tartalmazott a kiegyenlítésre.
• A változó ellenállásként használt FET-ek szórása, paramétereik eltérése jelentős volt. Wermuth kifejlesztett egy áramkört, amely dupla FET segítségével (két azonos paraméterű FET egy szilícium lapkán) nagyon alacsony gyártási tűrést ért el.
• A láncerősítő elv alkalmazásával gyakorlatilag korlátlan, a jelszinttől független, lineáris kompresszálási karakterisztika állítható elő. Ebben az áramkörben több azonos, feszültségvezérelt erősítésű műveleti erősítő (VCA) van sorba kötve, amelynek végén a feszültség állandó marad. Ez automatikusan szint-lineáris kompresszorkarakterisztikát eredményez minden közbenső fokozatban.
• A lánc végén a láncerősítő elv egy speciális áramkört igényelt, amely olyan változót generál a láncerősítő számára, ami az utolsó láncerősítő kimenetén a feszültséget állandó szinten tartja.

Az első két megoldás a későbbi Dolby SR-ben is megtalálható, tehát ismét szembesülhetsz azzal a kérdéssel, hogy ki, mikor és mit lopott kitől? Mindenesetre, a Dolby-cég 1974-ben, amikor megtudta, hogy a Telefunken miben mesterkedik, bepöccent, és visszavonta a Dolby A kizárólagos értékesítési jogát a Telefunkentől.
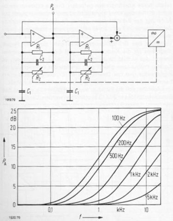
A kezdeti habozás után az ELA vezetése végül elfogadta Wermuth fejlesztési eredményét, és terméket készített belőle. Ez az eredmény a Telefunken zajcsökkentő négy frekvenciasávval; innen a "telcom c4" elnevezés.

Az új zajcsökkentő rendszer első bemutatóira végül 1975 őszén került sor a kölni 10. Tonmeistertagungon és Funkschau című szakfolyóiratban. A Tonmeistertagung szó szerinti fordítása hangmester napokat jelent. Valójában inkább a professzionális hangtechnika fejlesztőinek legjelentősebb európai összejövetele, ahol a – nemcsak európai – cégek bemutatói, kiállításai mellett mérnökök, akusztikusok, fizikusok előadásai is elhangzanak. Egyszer a BASF vendégeként én is részt vehettem rajta pár évvel a rendszerváltás után, de persze meg se mertem mukkanni, tekintettel arra, hogy rajtam kívül csak a már sokat emlegetett Ujházy László kollégám beszélt magyarul.
Mielőtt az NSZK bekebelezte az NDK-t, vagyis a két ország egyesülése előtt mindkét állam polgárai előnyös helyzetben voltak abból a szempontból, hogy még a pályakezdő segédmunkás is folyékonyan beszélt németül. S bár a nyilvános publikációkban szinte soha nem szerepel, nem szerepelhetett a másik ország műszaki megoldása, azért a mérnökök, tudósok naprakészen tudtak egymás eredményeiről. Így például az egykor Kelet-Berlinben működő RFZ, az NDK postájának központi rádió és televízió irodája egy egész sorozatot gyártott sztereó, négycsatornás és nyolccsatornás zajcsökkentőkből az NDK rádiója számára, amelyeknek áramköri megoldásai lényegében megegyeztek a telcom c4-ével.

A nyolccsatornás változat típusjele NV2180 volt, és a Mechanikai Laboratórium STM 700-as magnójához illesztették egyes jellemzőit. Az STM 700 elvileg 4-24 csatornás kivitelben készült, de úgy emlékszem (elvégre évtizedekkel ezelőtt jártam ott), hogy a berlini rádióban 16 sávos volt, tehát 2 db NV2180-ra volt szükség.

Jürgen Wermuth a professzionális felhasználásra szánt technika mellett kidolgozott egy olyan változatot, amelyet fogyasztói típusú berendezésekben, például kazettás-magnókban lehet használni. Ez volt a „RUSW”, a Rauschunterdrückungssystem Wermuth.

A Wermuth által javasolt áramkör a telcom 4 alapgondolatait tartalmazta, de az egyszerűség kedvéért csak két erősítőt kötöttek láncba, és szintén csak két külön frekvenciasávot használtak. A további egyszerűsítés érdekében csak a magasabb frekvenciatartományban lévő hangjeleket komprimálták felvételkor. A nem komprimált és a komprimált frekvenciatartomány közötti keresztezési frekvencia állandó volt. Nem sokkal később a zajcsökkentőt úgy alakították át, hogy egy sokkal kedvezőbb, csúszósávos karakterisztikájú kompander készült, amelyet a Dolby által 1968-ban bevezetett Dolby B rendszerben (lásd a sorozat 352 részét) is használtak. A Dolby-szabadalmat azonban nem sértették meg, mert nem volt külön ága a hangjelnek és a vezérlőjelnek. A zajcsökkentés mértéke a magas hangok tartományában kb. 20 dB volt.

A fogyasztói eszközökben való tényleges alkalmazáshoz feltétlenül szükséges volt a kompander integrált analóg áramköri megvalósítása. Az AEG-Telefunkennek 1959 óta voltak saját félvezető eszközöket fejlesztő és gyártó üzemei. Ezek egyikében alakították át Jürgen Wermuth eredeti tervét és annak változtatásait integrált analóg áramkörré. A változtatásokért és a további fejlesztések irányításáért Ernst F. Schröder volt felelős, aki egy tanulmányt írt a Telefunken zajcsökkentők történetéről.
Az egyik Telefunken központból szivárogtatták ki a Dolbyval szintén rossz viszonyban levő japán Nakamichinek a Telefunken fejlesztésének hírét. Nem kellett sok idő ahhoz, hogy a Nakamichi teljes vezetősége, élén a cég alapítójával, megjelenjen a hannoveri Telefunkenben. A vezetőség egyrészt elismerően nyilatkozott, másrészt ledöbbent, hogy szegény fejlesztőknek milyen borzalmasan rossz berendezésekkel kellett megküzdeniük. Azonnal útnak indult a Nakamichi berendezéseinek szállítmánya: egy N1000-es és egy N600-as kazettás magnó, elő- és végerősítő, egy speciális hangfrekvenciás mérő berendezés, a Nakamichi T-100 Audio Analyzer és két hatalmas hangdoboz. A korabeli tipikus Telefunken Hi-Fi készülékekhez képest ezek csodák voltak, ami a zajcsökkentő további fejlődését is tartósan befolyásolta. Mondjuk, járhattak volna a BRG-ben is Nakamichiék, noha elég jó műszerparkunk volt…
A Nakamichi eredetileg a telcom c4 compandert tervezte a csúcskategóriás N1000 kazettás magnóban használni, ezzel tökéletes kompakt kazettás magnót piacra dobva. Az AEG-Telefunken ELA azonban csak professzionális alkalmazásokban akarta látni a telcom c4-et, és megtagadta a licencet, anélkül, hogy rámutatott volna a fejlesztés alatt álló fogyasztói eszközök zajcsökkentőjére. De miután 1977 júliusában elkészült két működőképes prototípus, megegyeztek egymással, és megvárták, hogy az IC készen álljon a sorozatgyártásra. 1977. június 24-én előzetes licencszerződést írt alá a Nakamichi és az AEG-Telefunken.
Elhatározták, hogy az új Telefunken kazettás magnókat nem Dolby-B-vel, hanem saját zajcsökkentőjükkel szerelik fel. A Telefunken fejlesztői vezetőségében azonban szárba szökkent a hülyeség, féltek, hogy a Dolby-B-vel való bizonyos hasonlóság hosszadalmas és költséges szabadalmi vitát eredményezhet. Ezért más kompander változatokat is megvizsgáltak. Az IC már majdnem kész volt, szóval mit lehetne még változtatni? A csúszósávos hatást létrehozó komponenseket gyorsan eltávolították. Az egyszerű szélessávú kompanderben a zajmaszkolás hiányának problémáját egy további előkiemeléssel és utóelnyomással oldották meg, hasonlóan a dbx-hez. Terveztek egy speciális vezérlőjel-generátort, amellyel lényegesen csökkentették a félelmetes zajfarok kialakulásának esélyét a hirtelen véget érő hasznos jelek mögött, és ezzel jelfüggően kapcsolta át a zajcsökkentő a lecsengés időállandóját "lassú" és "gyors" között.

Ennek a szélessávú zajcsökkentőnek mind a statikus, mind a dinamikus viselkedését alaposan tesztelték minden típusú zenével, különösen a triangulum (lásd a sorozat 164.részét) felfutó tranziensével. Az alábbi fotó felső része egy kazettás magnó lejátszó erősítőjének kimeneti jelét mutatja; felül zajcsökkentő nélkül, alul zajcsökkentővel kínozva. A hangfelvétel triangulummal készült. Az alsó görbének csak az elején látható egy kis torzítás.

A végső döntéskor elmeszelték a csúszósávos megoldást. Ehhez viszont ki kellett egészíteni az integrált áramkört, ami egyenértékű volt a teljes újratervezéssel. A döntéshozóknak biztosan nem volt annyi kurvaanyjuk, ahányat a fejlesztők emlegethettek. Természetesen kellett egy név az új zajcsökkentőnek, s ez lett a HIGH COM, így, csupa nagybetűvel írva. Terveztek egy logót is, amely magnófejekre hajazott.

Az első magnó, amibe HIGH COM-ot is tettek, a Telefunken TC 750 volt.

A következő fotón a bal oldali diagram a Dolby B, a jobb oldali a HIGH COM zajspektrumát mutatja. A sötét rész a zajcsökkentő nélküli, a világos a zajcsökkentett spektrum.

Ezek a mérések még a HIGH COM COM IC-k nélküli változatokról készültek. Az integrált áramkörök első mintái, az UB401B típusúak csak 1978 szeptemberében érkeztek meg. Később attól függően, hogy az IC melyik változatáról van szó, kiegészítő jelzést is kaptak.

A Nakamichivel való kapcsolat folytatódott, ám a japánok továbbra is úgy gondolták, hogy valami olyasmit kapnak, mint egy csúszósávos Dolby-B, de lényegesen jobb tulajdonságokkal. A Telefunken azonban most már határozottan a szélessávú változat mellett döntött. Végül sikerült egy megtalálni azt a megoldást, amely egy kicsit közelebb került a Nakamichi eredeti szándékához. Ez kétsávos nem csúszófrekvenciás kompander volt, ugyancsak a Telefunken U401B IC köré építve, s a HIGH COM II nevet kapta. A Nakamichi jobban csípett volna háromsávosat, de az túl sokba került volna.
A HIGH COM II a kódolás során a bejövő jelet 2:1 arányban tömöríti, aminek eredményeképpen a bemeneten +20…-20 dB közötti tartományban lévő jelek +10…-10 dB közötti tartományban jutnak el a felvevőhöz. Körülbelül -23 dB bemeneti szint alatt az 50 Hz-es jel tömörítése megszűnik – ezt bizonyítja a 45 fokos meredekségre való átállás az alábbi ábrán. A korábbi tömörítés miatt azonban a -50 dB-es bemeneti szintű 50 Hz-es jel körülbelül -40 dB-lel, relatíve 10 dB-lel magasabban érkezik a magnóba. Hasonló töréspontok vannak 400 Hz-en körülbelül -33 dB bemeneti szinten, és 3 kHz-en körülbelül -37 dB-nél. A 10 kHz-re vonatkozó görbe azt mutatja, hogy a tömörítésen kívül 10 kHz-en is van olyan szint, ahol megszűnik a tömörítés.

A hangfrekvenciás jel természetesen nem csupán négy különálló frekvenciából áll, de a görbék azt mutatják, hogy a feldolgozás hogyan változik a frekvenciával. Láthatjuk, hogy a legalacsonyabb frekvenciákon a legkisebb a tömörítés, a legmagasabb frekvenciákon pedig a legnagyobb. Hasonlóképpen a lejátszás során alkalmazott dekódoláshoz tartozik az a kiegészítő funkció, amely frekvenciafüggően módosítja azokat a szinteket, amelyeket az alap 1:2 aránynak megfelelően tömörítettek. A 2:1-es tömörítés a kódolásban és az 1:2-es bővítés a dekódolásban megegyezik a dbx II-vel. Vannak azonban lényeges különbségek. Hiszen a tömörítés egy bizonyos ponton leáll, amikor a szint csökken. A Nakamichi azt állítja, hogy ez csökkenti azokat a negatív hatásokat, amelyek a tömörítés/tágítás során jelentkeznek a zajtartományban. A Nakamichi HIGH COM II rendszer két frekvenciasávot használ a zajpumpálás és más spektrumkölcsönhatások további csökkentése érdekében, míg a Dolby B és a dbx II egysávos. A Dolby B-hez képest a HIGH-COM II 10 dB-lel nagyobb zajcsökkentést ér el a teljes hangfrekvenciás sávban. Az állítólagos előnyök durva összefoglalása a következő lenne: Ugyanakkora zajcsökkentés, mint a dbx II esetében, de pumpálás nélkül, és sokkal nagyobb zajcsökkentés, mint a Dolby B esetében az egész sávban.

A Nakamichi termékké alakította az eljárást, ami a megszokott profi módon történt.

1980 vége felé a Telefunken végre beszámolhatott arról, hogy több, mint 25 céggel kötöttek licencszerződést, és világszerte több, mint 35 vállalat tekinthető HIGH COM rendszerpartnernek. De 1980 volt az az év is, amikor a Dolby Labs bejelentette a Dolby-C-t.
A következő készülékekben vagyok azok valamelyik változatában biztosan volt HIGH COM: Aiwa HR-7 és HR-50; Rotel RN-500 és RN-1000; Akai GX-F37; ASC AS 3000; Rosita Audion D 700; Blaupunkt XC-240 és XC-1400; ELIN Professional Micro Component Cassette Deck TC-97; Eumig FL-1000µP High Com; Filtronic FSK-200; Grundig MCF 200, MCF 600, CF 5100 és SCF 6200; hgs ELECTRONIC Mini Altus HiFi-System Micro Component Stereo Cassette Deck; Hitachi D-E75 DB/SL; Imperial TD 6100; Intel Professional Micro Component Cassette Deck - Modell TC-97; Körting C 102 és C 220; Revox B710 High Com; Neckermann Palladium Mico Line 2000C; Nikko ND-500H; Nippon TD-3003; Saba CD278, CD 362 és CD 363; Schneider SL 7270 C; Sencor SD-6650; Siemens RC 333 és RC 300; Studer A710 High Com; Telefunken TC 750, TC 450, TC 450M, TC 650, TC 650M, STC1/CC 20, MC 1, MC 2, HC 700, HC 800, HC 1500, HC 3000, HC 750M, HC 730T, RC 100, RC 200, RC 300, Hifi Studio 1, Hifi Studio 1M, Studio Center 5004, Studio Center 5005 és Studio Center 7004; Tensai TFL-812; Uher CG 321, CG 325, CG 344, CG 356 és CG 365; Quelle és Universum Senator CT 2307, Senator CT 2307A, CT 2318, Senator CT 2337 és Senator VTCF 407; Wangine K-3M, WSK-120, WSK-220.
Látszólag szép kis lista, de információ alig található a szereplőkről, inkább azokról a változatokról, amelyekben nem HIGH COM volt. Hogy a sors mily kegyetlen, nem mindegyik gyártó tartotta be a Telefunken előírásait, így egyáltalán nem biztos, hogy az egyiken készült felvétel rendesen játszható le egy másik típusúval – feltéve, hogy kiderül, milyen zajcsökkentőt használtak felvételkor, ha használtak egyáltalán. A következő táblázat a Telefunken analóg zajcsökkentő rendszereinek főbb jellemzőit foglalja össze; olyanokét is, amelyekből nem lett sorozatgyártás vagy egyáltalán nem használták.

1981 elején az AEG-Telefunkennél és a hannoveri Telefunken Fernseh- und Rundfunk GmbH leányvállalatánál egyre kézzelfoghatóbbá váltak a vég jelei. Már nem voltak meghatározott feladatok és fejlesztési vezetők. 1982 közepén az AEG-Telefunken igazgatósága csődöt jelentett. Az analóg zajcsökkentők az új tulajdonosoknak nem kellettek már. S noha ebben a sorozatban néhány egyéb eljárást –„flakont” – meg sem említettem, mert az eddigiekhez képest semmilyen különlegesség nem jellemezte őket, miként te is olvashattad, csak a Dolby analógjai maradtak még egy ideig a piacon. A Telefunken pedig számos európai társához hasonlóan a 21. században már csak egy márkanév. Ma a munkásmozgalom legendája az első nagy, 1979-es gyárbezárás és a tömeges elbocsátás elleni hatalmas szakszervezeti demonstráció: „A Telefunken nem halhat meg!”
