Cs. Kádár Péter - XXI. századi Diszkónika, 444. Merevedj! - A história nyalánkságai
A digitális hangtechnika a számítástechnika egyik mellékterméke. Az adatokat már jó ideje ugyanolyan eszközökön tárolja, mint a számítógép, s e tárolók belső vagy külső egységei lehetnek a készülékeknek.
A 2. világháború után, amikor már a háború alatti fejlesztések egy része nem csak katonai célokat szolgált, elég hamar kiderült, hogy a magnószalagos tárolási mód nehézkes, mert ahhoz, hogy egy filét megtaláljunk, rossz esetben a teljes szalagot végig kell tekercseltetni, és ez esetleg több percig is eltarthat. A számítógépek saját sikerük áldozatai voltak. Ahogy a vállalkozások egyre inkább rájuk támaszkodtak, egyre körülményesebbé vált a lyukkártyák hatalmas kötegeinek feldolgozása vagy az adatok egymás utáni (tudományoskodva szekvenciális) leolvasása a mágnesszalagokról. Találni kellett hát olyan eszközt, ami lehetővé teszi a gyors hozzáférést, függetlenül attól, hogy az adott filé az eszközön fizikailag hol helyezkedik el, illetve, hogy éppen e gyors hozzáférhetőség miatt szinte mindegy, hogy hová rögzítik a filét.
Az orosz származású Jacob Rabinow tanácsadóként dolgozott az USA kormányzati szerveinek számítógép-fejlesztési szolgáltatásain. Arra kérték fel, hogy tervezzen egy gépet, amely mágneses anyagból készült lemezekre rögzít és olvas azokról. Rabinow a Valdemar Poulsen által 1898-ban végzett kísérletei során használt lemezek elfogadását javasolta. (Ha emlékszel még, Poulsen a drótos magnó feltalálójaként lett híres.)

Az orsóra szerelt lemezek közötti térben tekercses, induktív mágneses olvasó-író fej mozgott.

A számítástechnikai iparág akkori legnagyobb óriása és a fejlődés irányának meghatározója, az IBM 1953-ban dolgozta ki az általa véletlen hozzáférésű fájlnak nevezett (külföldiül Random Access File) eljárást. A kaliforniai San Jose városának laboratóriumában pedig feltalálták az 1956-ban szabadalmaztatott merevlemez meghajtót. Ehhez fölhasználták – ellopták – Rabinow ötletét. Hogy miért tartott három évig a nyűglődés? Az IBM 350 fejlesztése felbosszantotta az igazgatótanács néhány tagját, mert attól tartottak, hogy a technológia fölzabálja a cég rendkívül jövedelmező lyukkártya üzletágát. A mutatványt egy időre törölték, de az IBM elnöke végül áldását adta a projektre.
A merevlemez meghajtó új szintet hozott létre a számítógépes hierarchiában; évtizedekig a legfontosabb külső memória volt. Az első sorozatgyártású IBM merevlemezt, a 350 típusjelűt, 1957-től kezdve szállították az IBM 305 RAMAC rendszer részeként. Körülbelül akkora volt, mint két nagy hűtőszekrény, és ötmillió hatbites karaktert (3,75 megabájtnyit) tárolt egy 52 db, 61 cm átmérőjű lemezből álló kötegben. Ehhez még hozzájöttek a hibafelismerő és a szóköz bitek. Ez 62 500 lyukkártya kapacitása volt. Az olvasási sebesség 600 ms volt; ma már iszonyú lassúnak tartanánk. Ez volt az utolsó olyan IBM szerkezet, ami még elektroncsövekkel működött.

Az IBM 350-nek egyetlen karja volt, két olvasó-író fejjel. A lemezek 1200 rpm-mel pörögtek. A teljes 305 RAMAC egység havi 3200 dollárért – mai dollárban havi kb. 37 ezer dollárért – bérelhető volt, megvenni nem lehetett. Állítólag az IBM még nagyobb kapacitással is meg tudta volna építeni a 350-et, de mivel a 3,75 MB 1956-ban hatalmas mennyiségű tárhelyet jelentett, az IBM nem tudta elképzelni, hogy a piacon még ennél is nagyobb tárhelyűt el tudnának sózni.
Az IBM 1961-ben jelentette be, majd 1962-ben szállítani is kezdte az IBM 1301 lemeztároló egységet, amely felváltotta az IBM 350 és hasonló meghajtókat. Az 1301-es egy vagy két modulból állt, amelyek mindegyike 25 tányért tartalmazott. A tányérok 3,2 mm vastagok és 610 mm átmérőjűek voltak. Míg a korábbi IBM lemezmeghajtók csak két olvasó-író fejet használtak karonként, az 1301-es típusok 48 fejből álló tömböt (fésűt), masszíroztak. Mindegyik tömb vízszintesen mozgott, egyetlen egységként, felületenként egy-egy fejjel.

Bár a külső fizikai méret nem sokat változott, az IBM 1301 tárolókapacitása 19 MB-ra nőtt. Ez volt az első merevlemez-meghajtó, amelynek fejei vékony légpárnán lebegtek, tehát nem koptatták a tányérok mágneses felületét. Az IBM 1301 havi 2 100 dollárért (mai áron 22 ezer dollárért) volt bérelhető, de már meg is vehettél volna egyet 115 500 (mai áron 1,2 millió) dollárért.
Ugyancsak 1961-ben a Bryant Computer Products bemutatta a 4000-es sorozatú lemezmeghajtóit. Ezek a hatalmas egységek 1,3 m magasak, 1,8 méter hosszúak és 1,8 méter szélesek voltak. 26 db, egyenként 99 cm átmérőjű tányérjuk volt, amelyek legfeljebb 1200 rpm-mel pörögtek. A hozzáférési idő 50-205 ms volt. A meghajtó teljes kapacitása a telepített tányérok számától függően 205 MB volt. Ún. zónás rögzítéssel növelték a lemezek kapacitását, vagyis a hosszabb külső sávokon több adatot helyeztek el, mint a belsőkön.

A korai piacra lépők közé tartozott még a Librascope, a Burbank, a CA; a Walled Lake, az MI és a Univac. Többségüknek a neve sem ismerős.
1962-ben az IBM 1311 mérete már elviselhetőbb lett. Az alakja miatt mosógépnek becézték. Már kis alkatrészsűrűségű integrált áramkörök is voltak benne. Hazánkban hét példányt vásároltak belőle, annak ellenére, hogy a volt szocialista országokba az ún. COCOM-lista miatt tilos volt szállítani.

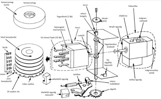
A meghajtó egy függőleges tengely közvetítésével 1500 rpm sebességgel pörgette az IBM 1316 típusú lemezcsomagot. Ez hat, 36 cm átmérőjű tányérból állt, ezeken 10 lemezoldalt használtak adatrögzítésre. Az író-olvasó fejek közös vízszintes tengelyen nyúltak be a lemezek közé, és koncentrikus körgyűrű alakú sávokban írták, illetve olvasták az adatokat. A sávok szélességét a fejek mérete, távolságukat a fejek pozíciója határozta meg, amit egy léptetőmotor állított be. Kétféle meghajtó létezett: az elsődleges-típusúak kb. 30 cm-rel szélesebbek voltak a másodlagosoknál, mert a közös működéshez szükséges vezérlőművet és tápegységet is tartalmazták.

A lemezcsomagot az alsó hordtányérra illeszkedő műanyag búra borította. A csomagot a búra tetején levő kar elfordítása után lehetett leemelni a hordtányérról és búrástól rásüllyeszteni a meghajtó függőleges tengelyére, majd a kar visszafordításával rögzíteni. Az adatátviteli sebességet döntően az író-olvasó fejek pozicionáláshoz szükséges időtartam határozta meg. Indításkor — a lemezcsomag megfelelő behelyezése után — a lemeztár fedele automatikusan lezáródott; a légbefújással létrehozott túlnyomásos légtérben légpárna keletkezett az író-olvasó fejek és a lemezek között, megakadályozva a nemkívánatos súrlódást. Mindegyik lemezoldalon 100, egyenként 20 szektorra osztott adatsáv, szektoronként pedig 100 karakterhely volt; így egy lemezcsomagon összesen 2 millió karaktert lehetett tárolni — a lemezcsomagok száma viszont korlátlan volt.
Ez volt az első merevlemezes adattároló, amely a lemezek könnyű cseréje révén lehetővé tette az „offline” adattárolást, viszonylag kis helyfoglalással. Igaz, a csere és a tárolás során fokozott óvatossággal kellett ügyelni a pormentes környezetre, mert a lemezek elektrosztatikus úton könnyen szennyeződhettek. Reklámértékük is nagy volt, mert a lemezcsomagok csak IBM gyártmányú meghajtókkal voltak kompatibilisek, így ilyenek felé terelték a felhasználókat.
Az 1964-től gyártott IBM 2311 hasonlóan nézett ki, mint a 1311, de gyorsabb volt, és egy-egy lemezcsomagon kb. 7,25 MB adat volt tárolható.

A lemezcsomag katonai változatait kémiailag kezelt fém alkatrészekkel szerelték, hogy ellenálljanak a magas páratartalomnak. A lemezes adathordozókat mágneses pigment oldatból állították elő epoxi-fenol kötőanyaggal. Az epoxi-fenol jól véd a korrózió ellen. Centrifugálással hordták föl a réteget: a folyadékot lassan ráöntötték az alapul szolgáló tányérra. A felesleg nagyobb sebességnél levált.

A nedves tárcsás kötőanyag ezután kikeményedett egy sütőben, majd sima és tartós felületre polírozták a lemezeket. A lemezcsomag összeszerelése előtt a lemezeket robotizált eszközben tesztelték, mindkét oldalon író-olvasó fejet használva. A használat során a legtöbb problémát a dohányzás okozta. Az alábbi rajzon az IBM 2311 vázlatos szerkezetét láthatod.

1964 egyébként is mérföldkő a számítástechnika történetében. Az IBM ekkor mutatta be az IC-kel megépített, 360-as családot, amelynek tagjait 1978-ig gyártotta. Ez volt az első számítógép család, amely a számítástechnika viszonylag teljes területét lefedte, az üzleti célú felhasználástól kezdve a tudományos alkalmazásig. Hazánkban is több volt belőle; én a Marx Károly Közgazdaságtudományi egyetemen ismerkedtem kicsit vele, mert a BME-n nem volt. Hogy a Közgáz hogyan jutott hozzá, persze szintén nem volt publikus, hiszen ez a gép is COCOM-listás volt.
Az ajánlott merevlemez egység az IBM 2314 volt. Tárkapacitása lemezegységenként 29 MB, a bitsebesség 310 kB/s volt.

1968-ban a merevlemezek piacán is megjelent a Memorex. A 630-as típussal megkezdődött a verseny az IBM kompatibilis meghajtók területén.

S íme a Winchester, az IBM 3340 típusú meghajtója, amelyet 1973-tól gyártott a cég.

A tervezés kezdetén két cserélhető 30 megabájtos lemezegységre összpontosítottak. Ennek a 30/30-as konfigurációnak köszönhetően a Winchester kódnevet a híres Winchester 30-30 puskára utalva választották, és ez az elnevezés sokáig megmaradt a merevlemezek világában; nálunk vinyónak vagy vincsinek becézve. Ma már inkább HDD-nek (hard disk drive) hívjuk mi is.

A Winchester technológia jóvoltából az író-olvasó fej a lemez forgatása közben tudott fel- és leszállni. Ez nagyon jelentős megtakarítást, valamint a fejet és a kart működtető mechanizmus összetettségének jelentős csökkenését eredményezte. Ez a fejkialakítás gyorsan szabvánnyá vált a lemezmeghajtókat gyártók között, de nem tette lehetővé, hogy csak a lemezeket távolítsák el a meghajtóból. Ehelyett a Winchester technológiájú meghajtók első modelljei cserélhető lemezmodult tartalmaztak, amely a lemezcsomagot és a fejegységet is magában foglalta, így a működtető motor a meghajtóban maradt. A későbbi Winchester meghajtók visszatértek a nem eltávolítható tányérokhoz. A hozzáférési idő ekkor már csak 25 ms, a bitsebesség viszont 885 kB/s.
Ám még mindig túl nagy volt a merevlemez egység; a tányérok átmérője 14”, vagyis kb. 36 cm volt. 1979-ben az IBM 62 Piccolo típusú, 65 MB kapacitású meghajtójában hat darab 8”, kb. 20 cm átmérőjű tányér forgolódott.

A kisebb energiafogyasztás miatt szükségtelenné vált a külső léghűtés, és egyszerűsödött az egység, mint alrendszer integrálása számos számítógépbe. A zárt lemezház csökkentette a lemezfelület szennyeződését, és növelte a megbízhatóságot. Az IBM 1979 januárja és 1990 februárja között 360 ezer egységet adott el. Nyolc másik, azóta többségükben megszűnt cég (a BASF, az International Memories, a Micropolis, a New World Computer, a Pertec, a Shugart Associates, a Priam és a Quantum) is beszállt a versenybe. A 10, 20, 30 és 40 MB kapacitású modellek kis fizikai mérete és alacsony energiaigénye népszerűnek bizonyult a miniszámítógép-felhasználók körében, bár a kezdeti megabájtonkénti költség magasabb volt, mint a régebbi, 14”-os meghajtóké.
1980-ban kezdte gyártani az IBM az első 1 GB-nál nagyobb, 2,52 GB kapacitású merevlemez meghajtóját. A bitsebesség elérte a 3 MB/s-ot. Nem biztos, hogy tudtál volna fizetni érte 81 ezer (mai árfolyamon 308 ezer) dollárt.

S ugyancsak ebben az esztendőben az IBM főnökei arra ébredtek, hogy egy áruló belerondított az eddigi technológiai vezető pozíciójukba. A történet ezen része annyira jellegzetesen amerikai, hogy noha a legendának egy része vélhetően inkább az alkotó fantázia része, mégis érdemes fölidézni.
Alan Field Shugart Los Angelesben, 1930-ban született. Szakmai karrierjét 1955-ben az IBM-nél kezdte, és ő is a RAMAC fejlesztésén dolgozott. Később a merevlemezek értékesítési vezetője lett. 1969-ben átigazolt a Memorexhez. 1973 februárjában megalapította a Shugart Associates-t, majd 1974 októberében lemondott vezérigazgatói posztjáról. Pontosabban, kirúgták. Ekkor nyitott egy bárt, és vásárolt egy lazacot szállító hajót.

Aztán Finis F. Connerrel 1979-ben megalapította a Shugart Technology-t, amely hamarosan Seagate Technology-ra változtatta a nevét. Ugye, így már ismerős?

Néhány év múlva a két alapító összeveszett egymással, és Conner 1984-ben létrehozta a Conner Peripheralst. 1996-ban a Seagate bekebelezte Conner cégét. Még abban az évben Shugart sikertelen kampányt indított annak érdekében, hogy Ernest nevű, berni pásztorkutyáját beválasszák a Kongresszusba. Könyvet is írt erről írt erről „Ernest Goes to Washington” címmel. Támogatta azt a 2000-ben meghiúsult kezdeményezést, amelynek lényege az volt, hogy a kaliforniai választópolgárok szavazhassanak úgy is, hogy az egyik jelöltet sem választják, s hogy ez – az érvénytelen vokssal ellentétben – számítson bele az eredménybe. Shugart 2006-ban halt meg.
Ám térjünk vissza 1980-hoz! Ekkor mutatott be a Seagate Technology egy 5,25” (kb. 13,3 cm) átmérőjű tányérokat tartalmazó meghajtót, az 5 MB kapacitású ST 506-ot, hogy megfeleljen a személyi számítógépek kisebb fizikai méret- és energiafogyasztási igényeinek.

Az 1981 végétől gyártott 10 MB-os ST412-vel a Seagate az IBM XT sorozatú, az IBM első, merevlemezt tartalmazó PC-jének fő szállítójává vált. Megjegyzem, XT-vel dolgozni katasztrófával ért föl, egyik példányával rengeteget szenvedtem, amikor meg kellett volna barátkoznia a nyomtatóval. Az 1984-es IBM AT megjelenésével a merevlemezek az összes új IBM személyi számítógép alapfelszereltségévé váltak. A kisebb és hordozható PC-k kiszolgálására 1983-ban a skóciai Rodime cég kezdte gyártani az első 3,5”-os (kb. 8,9 cm-es) HDD-t, az R0351/352-t.

A Rodime-ot gyorsan követte a Microcomputer Memories, a Microscience International és a MiniScribe. A 3,5”-os merevlemez több mint 25 éven át a személyi számítógépek fő tartozéka maradt: az 1996-ban eladott 100 millió darab több, mint 80%-át tette ki . A 3,5”-osokat napjainkban is használják mind a vállalati, mind a személyes tárolórendszerekben, ha sok adatot kell rögzíteni és olvasni.
A Colorado állambeli PraireTek 1988-ban 2,5”-os (6,35 cm-es) tányérokból gyártott 20 MB kapacitású merevlemezt, de bele is bukott, mert a JVC és a Conner Peripherals ügyesebben nyomult.

A merevlemez ipar 1985-ben körülbelül 75 aktív gyártóval büszkélkedhetett, majd ezt követően csökkent a cégek száma, bár a meghajtók mennyisége tovább nőtt: 1989-re elérte a 22 millió darabot és a 23 milliárd dollár bevételt.
Ahhoz, hogy a merevlemezek tányérjaira egyre több információt lehessen rögzíteni, és azokról kiolvasni, egyre kisebb területen helyezkedtek el az információ egységei, a 0-k és az 1-ek. A felvétel-lejátszás az analóg magnókban elterjedthez hasonló indukciós fejekkel történt, de a kisebb méretű mágnesezett anyagrészecskék által a merevlemez fejekben keltett mágneses fluxus egyre kisebb lett, így egyre kisebb lett a feszültség a fejek kimenetén. Olyan lejátszófejet kellett hát kitalálni, ami a kis jelekre érzékenyebb. A sorozat előző részében már szó volt a magnetorezisztív fejekről, s arról is, hogy a változó mágneses ellenálláson alapuló érzékelők többféle elv alapján működhetnek. A merevlemezek fejét illetően a korai próbálkozásokat leszámítva, az óriás mágneses ellenállás (GMR, Giant MagnetoResistance) jelenségét használták föl. Ezt a jelenséget két tudós, a francia Albert Fert és a német Peter Grünberg egymástól függetlenül fedezte föl 1988-ban. Jutalmuk egy-egy ingyenes menetjegy volt Stockholmba, ahol megérkezésük után, 2007-ben még rengeteg lóvét is kaptak fizikai Nobel-díj elnevezéssel. Figyelemre méltó, hogy mi olvasható a Nobel-Alapítvány honlapján:
“A GMR-effektus története nagyon jó példája annak, amikor egy teljesen váratlan tudományos felfedezés vadonatúj technológiákhoz és ipari termékekhez vezet. A GMR felfedezéséért most Nobel- díjjal jutalmazott kutatók annak idején kifejezetten alapkutatási célokra kaptak támogatást, bármiféle konkrét alkalmazási célkitűzés nélkül. Ez ráadásul igen költséges alapkutatás volt: drága minta-előállító berendezésre volt szükség a hozzá tartozó különleges, azonnali értékelést lehetővé tevő mintaminősítő eszközökkel és extrém körülmények között (alacsony hőmérsékleteken és nagy mágneses terekben) végzendő kísérletekkel. A jó felszereltség, párosulva a korábbi tapasztalatokra épülő gondos kísérleti munkával és megfelelő intellektuális teljesítménnyel, végül nagyhatású eredményre vezetett ebben a konkrét esetben, de világos, hogy sok korábbi, szintén csak alapkutatási céllal végzett kutatómunka eredménye is hozzájárult ehhez a felfedezéshez. Ebből nyilvánvalóan azt a következtetést kell levonni, hogy a tiszta alapkutatás támogatása nem köthető közvetlenül alkalmazási elvárásokhoz, mert csak színvonalas alapkutatási eredmények alapján születhetnek a későbbiekben gyakorlati felhasználást eredményező felismerések.”

A mágneses ellenállás a vizsgált anyag elektromos ellenállásának külső mágneses tér hatására bekövetkező megváltozása. Minden anyag olyan atomokból áll, amelyek elektronokat tartalmaznak. Ez eddig nem újdonság. Az elektronok ugyan nem forognak a tengelyük körül, de van egy olyan tulajdonságuk, mintha ezt csinálnák. E tulajdonság az elektron a többi mechanikai tulajdonságától és térbeli mozgásától független. Röviden spinnek, hosszabban impulzusmomentumnak nevezik. A spin helyzete kétféle lehet: vagy felfelé vagy lefelé irányul. A ferromágneses anyagban az elektromos ellenállás jelentősen eltér a kétféle spinállapotú elektron esetén. Ha a spin a mágnesezettség irányával azonos irányú, akkor az elektromos ellenállás minimális, ha ellentétes irányú, akkor maximális. Nagyon leegyszerűsítve a két állapot megfelel egy kapcsoló be- vagy kikapcsolt állapotának. A GMR szendvics szerkezetű fej néhány nanométer vastagságú ferromágneses rétegekből áll, amelyek között egy-egy nem mágneses réteg van. Egy-egy ilyen réteg csupán 4-5 atomot tartalmaz. Az elektromos ellenállás a két ferromágneses réteg mágnesezettségének iránya közti különbségtől függ. Ha a réteg széléhez kapcsolt elektródán beérkező elektronok spinje polarizálatlan, akkor két eset lehetséges. Ha a két ferromágneses rétegben a mágnesezettség iránya azonos, akkor a mágnesezettségével azonos spinirányú elektronok (a beérkező elektronok fele) könnyen, szinte szóródás nélkül átjut a két rétegen, az elektromos ellenállás minimális. Ha viszont a ferromágneses rétegek ellentétes mágnesezettségűek, a spinbeállástól függetlenül az egyik rétegben az elektronok szóródása erősebb lesz, és így megnő az elektromos ellenállás.
Kicsit másképpen: Miközben az elektronok saját parányi mágneses tereket hoznak létre, maguk az elektronok két pozíció egyikében, felfelé vagy lefelé orientálódnak. Ez a spin-orientáció. A mágnesezett fémben lévő elektronok többségének spinjei párhuzamosak az anyag mágneses terével. Egyes elektronok szétszóródnak, miközben vezetik az elektromosságot, s ez növeli az ellenállást. Ez a szóródás különösen szembetűnő a mágneses és nem mágneses anyagok határfelületén. Kísérleteik során Fert és Grünberg néhány nanométer vastagságú rétegeket rakott egymás fölé. E rétegek váltakozva vasból (mágneses) és krómból (nem mágneses) álltak. A nanométeres rétegekben dolgozva külön-külön tudták manipulálni a két mágneses réteget. Tehát attól függően, hogy ezek a terei hogyan helyezkednek el, a rétegekből álló szendvicsen áthaladó elektromos áram nagy vagy alacsony ellenállásba ütközik.
A GMR olvasófejek az ún. spin-szelep elrendezést követik. A két mágneses rétegből az egyik rögzített, nehezen elfordítható irányú mágnesezettségű, míg a másik könnyen forgatható mágnesezettségű réteg. Az utóbbi réteg mágnesezettsége az olvasófej alatt forgó tányéron tárolt bitek mágnesezési irányának megfelelően áll be, így az információ a spinszelep ellenállásának mérésével egyszerűen kiolvasható.

A fenti ábrán láthatod, hogy csak az olvasófej GMR, az írófej indukciós, esetleg AMR, vagyis az anizotróp mágneses ellenállás jelenségét használja (lásd a sorozat előző részét). A kétféle fejet azonban közös szerkezetbe építik, s így az írás és az olvasás optimalizálható. Ezt a megoldást az IBM használta először 1997-ben, s ezzel lényegében eldőlt a merevlemez meghajtók felépítése 2004-ig.

Persze rögtön hozzáteszem, hogy már 1990-91-ben léteztek a mágneses ellenálláson alapuló olvasófejek, de az nem a GMR, hanem az AMR jelenségen alapultak. Ilyeneket az IBM-en kívül a Fujitsu, a Hitachi és a Hewlett-Packard is gyártott.
Annak ellenére, hogy számos új belépő érkezett, az iparági szereplők száma 15-re csökkent 1999-ben. Az egységek mennyisége és az iparági bevétel az 1990-es években 174 millió darabra és 26 milliárd dollárra nőtt. A ’90-es évek közepén megjelentek a PC Card Type II merevlemez-meghajtókártyák. Ezek a kártyák voltak az elsők, amelyek 5 mm vastagságúak voltak.

Az ipari termelés a 3,5”-os és a 2,5”-os méretek köré tömörült; a nagyobb formaelemek kihaltak, miközben számos kisebb formátumot kínáltak, de csak korlátozott sikereket értek el. Ilyen volt pl.a HP 1,3”-es Kittyhawk vagy IBM 1”-es (2,54 cm) Microdrive.

2001-ben a merevlemez-ipar azzal szembesült, hogy csökkent az eladott egységek száma, és csökkent a bevétel is.
2004 óta a Seagate a mágneses ellenállású fejek másik változatát, az alagút mágneses ellenállás effektuson (TMR, Tunnel magnetoResistance) alapulókat építi a Momentus márkájú HDD-k-be.

A TMR fej olyan alkatrész, amelyben két ferromágneses réteget vékony, néhány nanométeres szigetelő — tehát nem antimágneses fém, mint a GMR-ben — választ el egymástól. E nagyon vékony szigetelőn az elektronok átjuthatnak az egyik ferromágneses rétegből a másikba. Ilyen jelenség a klasszikus fizika szerint lehetetlen, s csak kvantumfizikai szemlélettel magyarázható meg. Most nem fogom megmagyarázni. A TMR olvasófejek érzékenysége tízszerese a GMR fejekének, s napjainkban már nemcsak a Seagate kiváltsága.
2006-ban a Samsung bejelentette a Microsofttal közösen kifejlesztett hibrid merevlemezt, amely nagy mennyiségű szilárdtest memóriát tartalmaz gyorsítótárként a teljesítmény javítása érdekében, s ami a merevlemezek és a szilárdtestalapú meghajtók közötti átmenetet képezte. 2010-ben a Seagate gyártani kezdte a saját változatát, SSHD-nek nevezve. Nekem több SSHD-m volt, még garanciális idő alatt megpusztultak, egyébként sem tapasztaltam semmiféle előnyüket, de legalább visszaadták az árukat.
A 2000-es évek közepe óta a területi sűrűség növelését az úgynevezett szuperparamágneses trilemma fékezi, amely trilemmát a szemcseméret, a szemcsék mágneses ereje és a fej írási képessége okozza. A trilemma kifejezés azt jelenti, hogy három feltétel egyszerre nem teljesülhet; eredetileg egyébként lehetetlen szentháromságnak hívták. A kisebb szemcsék mágnesezettsége önmagától megfordulhat, hacsak nem nő a mágneses erősségük, de az ismert írófej-anyagok nem képesek elég erős mágneses teret létrehozni, amely elegendő ahhoz, hogy a szemcséket egyre kisebb területen is írni tudják. Újabb és újabb mágneses tárolási technológiákat fejlesztettek ki ennek a trilemmának a megoldására.
2013-ban a Seagate bevezette az ún. zsindelyes mágneses rögzítést (SMR), amelyet átmeneti technológiaként terveztek addig, amíg a hővel segített mágneses rögzítés (HAMR) eléggé kiforrottá nem vált. Az SMR átfedő sávokat használ a nagyobb adatsűrűség érdekében, a tervezés bonyolultsága és az alacsonyabb bitsebesség árán. Ezzel szemben a HGST (jelenleg a Western Digital része) a héliummal töltött meghajtók tömítésére összpontosított a szokásos szűrt levegő helyett. Mivel a turbulencia és a súrlódás csökken, keskenyebb lehet a lemezre koncentrikus körökben rögzített információk köreinek távolsága, így nagyobb területsűrűség érhető el, és a kisebb súrlódás miatt a működtető energia is kisebb, ami kisebb teljesítményfelvételt eredményez. Ezenkívül több tányér is elhelyezhető ugyanabba a zárt térbe, bár a héliumgáz kiszökését nehéz megakadályozni. Ezért aztán a hélium meghajtók teljesen tömítettek, és nincs szellőzőnyílásuk, ellentétben levegővel töltött társaikkal.
A gyártók száma 2009-ben hat volt, 2013-ban már csak háromra csökkent. A termelés főként a csendes-óceáni térségben folyik.

2011-ben a thaiföldi árvíz betett a gyártóknak. A merevlemez-meghajtók világméretű hiányára vonatkozó előrejelzések miatt az árak megduplázódtak. Később fölvetődött az árkartell gyanúja, amit lényegében elmaszatoltak, így a régi szép idők nem tértek vissza.
2012-ben a Western Digital bejelentette az első 2,5”-os, 5 mm vastag meghajtót, valamint az első 2,5”-os, 7 mm vastag, kétlemezes meghajtót.
2010-ben még kb. 650 millió HDD-t gyártottak a világon, 2018-ban már csak 276 millió darabot szállítottak ki. 2020-tól az SSD-k komoly vetélytársai lettek a HDD-knek.
2017-ben a Seagate 480 MB/s bitsebességű merevlemezzel büszkélkedett, amely 7200 rpm-mel pörget, két független működtető kar segítségével. Ezek mindegyike nyolc olvasó-író fejet tartalmaz; tányéronként kettőt. Ez a bitsebesség hasonló a gagyibb SSD-k olvasási sebességéhez. Az ezzel a technológiával készített termékek 2021-ben jelentek meg.
2020-ban a merevlemezek tárolási sűrűsége elérte a jelenleg alkalmazott, ún. függőleges rögzítési mód elméleti határát.
2024 januárjában a legnagyobb merevlemez 32 TB-os, de nincs messze a 100 TB-os megjelenése sem.
Mi tagadás, elég sűrű volt ez, de remélem, tudtad követni. S most utólag, több, mint fél évszázad távlatából, virtuálisan bocsánatot kell kérnem egykori, többségükben már sajnos nem élő egyetemi tanáraimtól. Voltak ugyanis olyan tantárgyaink, amelyek az anyagok tulajdonságaival, anyagszerkezettannal foglalkoztak. Az oktatóink lelkesen magyarázták e tudnivalókat, mi pedig baromira untuk, hiszen azt gondoltuk, hogy magnók vagy tévék tervezéséhez semmi szükség sincs ilyen köldöknézegetésre. Tévedtünk, én meg aztán különösen nagyot tévedtem. A 21. században használhatjuk ugyan a modern technika vívmányait különösebben mély ismeretek nélkül is, de megérteni ezek működését ezen tudnivalók nélkül nem fogjuk. Richard Phillips Feynman Nobel-díjas fizikus, a múlt század kiemelkedő tudósa és fáradhatatlan tudománynépszerűsítő személyiség mondta, hogy ha egyszer képesek leszünk atomi méretű technológiákra, csodálatos világot fogunk fölfedezni.
