Cs. Kádár Péter - XXI. századi Diszkónika, 150. A közepe meg az oldala
A sztereó hangtechnika egyik alapvető problémája, hogy az eredetileg nagy távolságokat a jobb és a bal oldal között hogyan lehet úgy szűkíteni, transzformálni a lakások szobáiban elhelyezett hangsugárzók közötti néhány méteres távolságra, hogy mégis az eredetihez hasonló térérzetünk legyen. Az igazán őszinte válasz erre az, hogy sehogy, legfeljebb bízhatunk abban, hogy a hallórendszerünk annyira intelligens, hogy támogatja az erőfeszítéseinket.
Az egyik ilyen erőfeszítés az egytengelyű mikrofonozás olyan változata, amely külön-külön kezelhetővé, manipulálhatóvá teszi a sztereó jel két jellemzőjét: a jel nagyságát (erősségét) és a sztereó bázis szélességét. Ezt az eljárást is Blumlein szabadalmaztatta 1934-ben, noha kicsit más eljárással, mint ami később elterjedt. Az MS sztereónak nevezett eljárást 1954-ben Holger Lauridsen, a dán rádió mérnöke támasztotta föl. Az MS sztereó alkalmazásával már az mp3 tárgyalásakor is találkozhattál (99. rész), magával az elvvel pedig a sorozat 90. része foglalkozott.
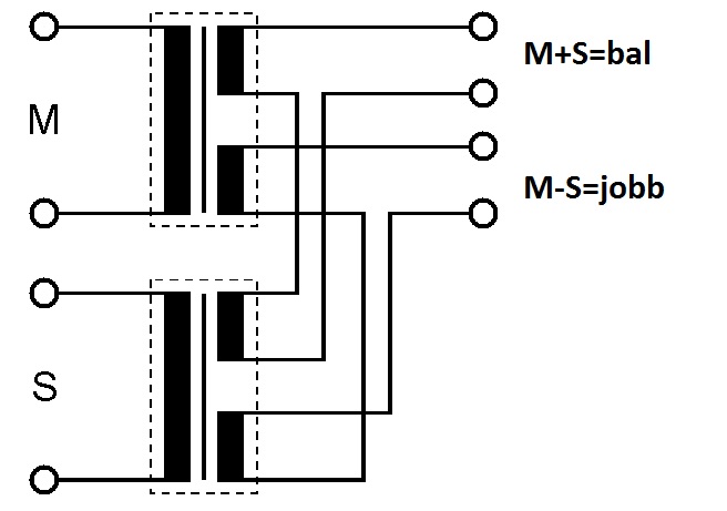
A matematikailag korrekt MS rendszer egy gömb karakterisztikájú középjel mikrofonból – ez az M (Mitte, middle) - és egy nyolcas karakterisztikájú oldalkülönbségjel mikrofonból – ez az S (Seite, side) áll.

Az M mikrofon jele a bal és jobb oldal összegének is tekinthető, ezért monó mikrofonnak is nevezzük.
M=B+J
Az S mikrofon a bal és a jobb oldal különbségét adja, hiszen ha a membránt az egyik oldalon megnyomjuk, a másik oldalon kitüremkedik.
S=B-J.

De miért jó ez? Azért, mert e két jelet külön-külön masszírozhatjuk. Ha az S jel 0, akkor csak M jel van, tehát a sztereó hangvisszaadás során minden középről szól. Ha az S jel nem nulla, akkor minél nagyobb, annál szélesebb a bázis, annál nagyobb a színpad méretének érzete. Ráadásul az S jelet még meg is zengethetjük, ilyenkor az M jel „szárazsága” nem rontja az érthetőséget, mégis szép nagy terünk lesz.
Térjünk vissza az MS eljárás alaptulajdonságaihoz!


Az MS mikrofonozás intenzitás sztereó rendszer, hiszen mindkét mikrofon membránja ugyanott, közös tengelyen van, viszont az S mikrofon irányérzékeny. Gömb mikrofon esetén a teljes, 360⁰-os teret leképezi, és nincs közeltéri hatás. Lokalizációs torzítása nincs, amplitúdó torzítása persze van, hiszen a színpad szélei távolabb vannak, mint a közepe. Az S mikrofon részben kiegyenlíti ezt a torzítást. A sztereó bázis szép, a terem zengetettségétől függően érzékelhető, természetes. Elvileg tökéletesen monokompatibilis. Mivel az M mikrofon frekvenciamenetbeli tulajdonságai mások, mint az S mikrofoné még akkor is, ha azonos típus mind a kettő, csak az egyiket gömb, a másikat nyolcas állásba kapcsoltuk, ebből a későbbiekben adódhat „érdekes” hangzás, de a gyakorlatban ritkán tapasztaljuk ezt a jelenséget, noha jól mérhető. Régebben egyébként gyártottak egybeépített MS mikrofonpárt is, mérsékelt sikerrel.

De ha ennyi előnye van az MS eljárásnak, melyek a hátrányai? Főképp az, hogy nagyon kényes az elhelyezésre, különösen az eredeti, amelyben gömb karakterisztikájú az M mikrofon. Noha léteznek olyan keverőasztal modulok, amelyek közvetlenül is tudják fogadni az MS jeleket, ritkaság az ilyen. Pedig ahhoz, hogy megkapjuk a bal és a jobb oldalt, csak két műveletet kell elvégezni:
M+S=B+J+B-J=2B;
M-S=B+J-(B-J)=B+J-B+J=2J.
A kétszeres szorzónak nincs jelentősége. Ilyen összeadó/kivonó áramköröket – mátrixokat – egykor transzformátorokkal készítettek, aminek előnye a földfüggetlenség volt.

Ma már általában műveleti erősítőkkel oldják meg ezt a feladatot. Mind a transzformátoros, mind az elektronikus mátrix persze növeli a torzítást. Ám ha nincs mátrix, egy varázskábel lendít a dolgon. Az M mikrofon jelét közvetlenül dugjuk a keverőasztal egyik csatornájába, és középre panorámázzuk. Az S mikrofon jelét egy szétosztó, y kábel mamájára dugjuk, a két papát pedig a keverőasztal két, független csatornájára.

Az egyik csatornát balra, a másikat jobbra panorámázzuk, és amelyiket jobbra panorámáztuk, abban fázist fordítunk a fázisfordító gombbal. Ha ilyen gomb nincs, akkor az y kábel egyik papájában a két meleg pontot fordítva kell bekötni, és levakarhatatlanul meg kell jelölni a kábelt, különben dráma lehet, ha akkor is fázist fordít, amikor nem kéne.

Az eredeti MS eljárást – sajnos – ritkán használják. Ennek az az oka, hogy a gömb karakterisztikájú mikrofon sok olyan hangforrás hangját is átalakítja, ami nem kívánatos, magyarán, a hangkép túl zajos lesz. Az M mikrofon legtöbbször vese karakterisztikájú.

Természetesen ekkor már nem a teljes, 360⁰-os teret képezi le az eljárás, az egyenletek sem teljesen igazak, de kit érdekel? Nagyobb gond, hogy ha az MS elrendezés közel van a hangforráshoz, a közeltéri hatás miatt szép mélyemelés okozhat bosszúságot.
Ha a hangforrás nagyon távol van, pl. valamilyen énekesmadár hangja izgat, az M mikrofon akár puska irányjellegű is lehet. Ekkor a madár csiripelése kiemelkedik a környezetéből, és nagyon szép hangkörnyezet fogja körülölelni.
Mint említettem, az MS eljárást is Blumlein szabadalmaztatta, de ő két 8-as karakterisztikájú szalagmikrofont használt. Trükkös csákó volt ő, a róla elnevezett eljárás két mikrofonját egyszerűen elfordította 45⁰-kal. Az egyik nyolcas mikrofon lett az M, a másik az S.

A digitális munkaállomásokon nem gond a bal-jobb – MS átalakítás, miként az MS – bal-jobb sem az. A lényegében ingyenes Reaper szoftverhez számos ingyenes MS átalakító és szabályozó tölthető le. A Voxengo MSED-vel már megismerkedhettél a 90. részben; ebben a bővítményben van goniométer is.

Most egy sokkal egyszerűbbet mutatok neked, de hogy lássunk is valamit, előbb le kell tölteni egy sztereó műszer bővítményt, például a Melda sztereoszkópját.

Számunkra a goniométeren kívül az M és az S jel szintjét mutató két oszlop lesz fontos, valamint a szélesség (width) mutató, ami valójában egy korreláció mérő. Ha a zöld csík kékre vált, már nem biztos, hogy monokompatibilis lesz a jel, ha pedig a pirosba emelkedik, csúnyán ellenfázisos, és noha a két hangsugárzó szélességén túlról is érzékelünk hangot, rendkívül zavaros, lokalizálhatatlan lesz a végeredmény. Ahhoz, hogy ezt a bővítményt le tudd tölteni, előbb egy szintén ingyenes letöltés kezelőt kell letölteni, innen:
https://www.meldaproduction.com/download/plugins

Jó lesz a két, pirossal bekeretezett hely valamelyike is, attól függően, hogy milyen operációs rendszered van. A letöltés után el kell indítani a „maudioplugins_12_03_setup.exe” nevű filét. Fogadj el mindent, jelöld ki az összes fajta bővítmény filét, majd továbblépve, meg fog jelenni a kiválasztható bővítmények neve. A 3. oszlop legalján van a műszer linkje.

Innen a „NEXT”-ekkel továbblépegetve, települ a bővítmény. Ahová telepítetted, ami általában a C meghajtón a „Program Files - VSTPlugins - MeldaProduction – Stereo” mappa, ott ki kell választanod az „MStereoScope.dll” filét, és átmásolnod a Reaper Plugins/FX mappába.

Most jön a java! El kell menned a RAZAudio honlapjára, és ott megkeresned az MS Controller bővítmény oldalát.
http://www.razaudio.com/ms-controller.html
Ennek a lapnak az alján szerénykedik az „ms_controller.dll” filé linkje.

Csak töltsd le és másold be a Reaper FX mappájába!
Indítsd el a Reapert, és nyiss meg benne az Insert lenyíló menü segítségével valami jó kis sztereós nótát! A sáv melletti kezelőpulton nyomd meg az FX gombot, és a VST bővítmények közül válaszd ki az MS¬_controllert! A főkeverő FX gombjára bökve válaszd ki az MS Stereoscope-t! Ha sikerült, és kicsit rendezgeted a képernyőt, a lejátszást indítása után ilyesmit kell látnod:

Ha meguntad a játszadozást, nézd meg azt a videóklipet, ami összefoglalja az AB, az XY, a Blumlein és az MS mikrofonozás tulajdonságait!