Cs. Kádár Péter - XXI. századi Diszkónika, 298. Ritmuskvartett - Klónok és replikák, első eresztés
A másolatok készítése az emberiség történetének szerves része. Ha valami jól sikerült – legyen az akár művészi alkotás, akár használati tárgy – akkor azt minél több példányban igyekszünk előállítani. Valójában ennek a folyamatnak az eredménye a tömeggyártás.
Az elektronikus hangszerek esetében két irányzatról – és ezek keveredéséről – beszélhetünk. Az egyik esetben a másolatnak minél inkább az eredetihez kell hasonlítania mind a küllemében, mind a belében, vagyis ugyanúgy kell kinéznie, és ugyanolyan áramkörökből, sőt, alkatrészekből kell készíteni, amilyen az eredeti volt, hiszen akkor ugyanúgy fog szólni. Ez a változat a replika. A másik esetben, amikor klónról beszélünk, a belseje egészen más lehet, és az orcájának sem kell szigorúan olyannak lennie, mint amilyen a minta volt, a lényeg, hogy ugyanúgy szóljon. A legtöbbször az első esetben sem ragaszkodnak teljesen az eredetihez, hanem bővítik a szolgáltatásokat pl. nagyobb hangkészlettel vagy midivel, a második esetben ez még gyakoribb. Ugyanúgy meg sosem szól sem a replika, sem a klón.
Ha a másolandó készülék analóg áramkörökből épült föl, akkor nem könnyű eldönteni, konkrétan melyik példány legyen a minta. Egyrészt azért nem, mert ahány példány, annyiféleképpen szól, hiszen az alkatrészek egyike sem olyan az egyik készülékben, mint a másikban. Kicsi a különbség, de van különbség. S előfordul, hogy nem is kicsi. A másik gond, hogy ha az eredeti készüléket vizsgáljuk, akkor eltelt már több évtized, és az öregedés miatt ezek a hangszerek másképp muzsikálnak, mint ahogy azt új állapotukban tették. Hogy hogyan szóltak ifjú korukban, úgy lehet vizsgálni, hogy számos hangfelvételt elemeznek, amelyekben ezeken a hangszereken játszottak.
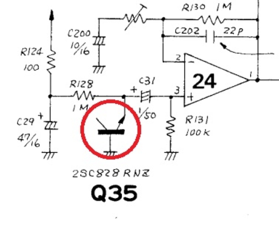
A Roland TR-808 ritmusgép koppintása igen sajátos gondot okoz, s erről röviden már volt szó. A készülékben ugyanis olyan tranzisztort használtak zajgenerátorként, ami nem tudta a hivatalos specifikációt, magasabb volt a zaja. Ezeket a tranzisztorokat a Roland kérésére kiválogatták a szemétből.

A hangszer szervizkönyvéből az is kiderült, hogy ennek a tranzisztornak a kollektor lába a levegőben lóg, vagyis csak az egyik, a bázis-emitter diódáját használták.

Ha nem akarsz teljesen hülyén meghalni, akkor elmondom, hogyan működik egy ilyen analóg oszcillátor. Amint a rajzon láthatod, a bázishoz képest (középső elektróda) az emitter (amin a nyíl díszeleg) pozitív feszültségen van. Mivel az alkatrész eredetileg npn tranzisztor (a nyíl kifelé mutat), a bázis a p réteg, az emitter az n réteg. A sorozat 105. részéből már tudod, hogy ilyen feszültségviszonyok, az un. zárófeszültség esetén a pn rétegen, vagyis a bázis-emitter diódán csak kis áram folyik. Ekkor tehát a dióda szigetelőként viselkedik, legalábbis normális esetben. Mivel a diódák nem tökéletes p és n rétegből állnak, eleve van bennük néhány szabad töltéshordozó. Ezek mindaddig nem bolondulnak meg, ameddig a zárófeszültség nem túl magas. Ha azonban a zárófeszültséget növeljük – nem kell nagyon nagy növelésre gondolnod, elég pár volt is –, a diódán belül akkora bazi nagy lesz az elektromos térerő, hogy a szabad elektronok nem bírják tovább a gyűrődést, meglódulnak. Nekimennek az eddig nyugiban levő atomoknak, és újabb elektronokat szabadítanak ki, felbomlanak az atommagokat és az elektronokat egyensúlyban tartó kovalens kötések.
Most ne hagyd abba az olvasást, mert ha nem is emlékszel arra, mi a kovalens kötés, egy egyszerű példán elmagyarázom. Ez a példa a hidrogén. A hidrogénatomnak mindössze egy olyan elektronja van, ami más atomokhoz kapcsolódásra alkalmas, ennek neve vegyérték elektron. Egy magányos hidrogénatom nagyon instabil, párosan viszont nem az, tehát akkor válik stabillá, amikor társra talál, és a két vegyérték elektron kölcsönösen összekapcsolja a két szerető szívet, az atommagokat. E házasság neve molekula. A kapcsolatot hívjuk kovalens kötésnek. Csak az ásó, kapa, pontosabban külső erőszak és csábítás választja szét a kovalens kötést.

Az erőszak hatására először csak kevés töltéshordozó szabadul ki a szorításból, de az egyre több és nagyobb ütközés következtében egyre több lökődik kifelé. A töltéshordozók mozgását az áramerősség növekedése jelzi, áramlavina keletkezik. A jelenségnek ez is a neve: lavinaeffektus. Az áramerősség azért nem lesz végtelen, mert a dióda belső ellenállása korlátoz, s ha ez sem elég, megtoldhatjuk egy külső ellenállással. A lavinaáram spektruma elvileg fehérzaj. Gyakorlatilag bármilyen spektrumú zaj lehet (csak fehérzaj nem, mert akkor végtelen lenne az energiája), de nem tudható előre, hogy egy adott típus esetén milyen lesz. Ebben rejlik annak titka, hogy ha az eredeti tranzisztorok helyett „rendes”, most is kapható (kb. 15Ft/db), több cég által is gyártott 2SC828-at tesznek a hangszerbe, a hangkép egészen más lesz. Egy 2018-ban készült, részletes vizsgálat szerint semmilyen más típus nincs, ami helyettesíthetné, illetve, ami van, az csak majdnem úgy szól, mint a Roland által annak idején gyártott fajta. Ez a probléma azoknál a másolatoknál merül föl, amelyek analóg készülékek. A nem analógoknál, például a ma már nem gyártott Roland TR-8 klónnál nincs ilyen gond, mert a zajspektrum az áramkör – és benne az alkatrészek – digitális modellezésével felidézhető. Már amennyire.

A TR-808 utánzása többféle módon is megvalósítható. Az egyik napjainkban is kapható mód az Acidlab cég Miami típusú, 2008 óta gyártott, analóg szerkezete, amelynek darabját 650 euróért mérik.

Szinte teljesen követi az eredeti gép felépítését, csak sokkal kisebb a mérete, és van midi időzítője, meg midi hangszer vezérlése is. Néhány teszt szerint ennek a hangja közelíti meg leginkább a Roland TR -808-ét, annak összes kellemetlen jellemzőjével együtt.
Akarsz otthon pöcsölni egy TR-808 ritmusgép klón összeszerelésével? Akkor válaszd az e-licktronic nevű cég Yocto2 elnevezésű kitjét!
http://www.e-licktronic.com/en/content/25-yocto-tr808-clone-tr-808

Az analóg készletet 2017-ben kezdték árulni 295 euróért, amelyben a gombok, két nyomtatott áramköri lap, az összes potenciométer és az összes félvezető található. A többi alkatrészt külön kell megvásárolni, de ezek is kaphatók csomagban a Mouser Electronics alkatrészáruházban, 226,68 euróért (Kb. 84 ezer forintért).
https://hu.mouser.com/ProjectManager/ProjectDetail.aspx?AccessID=ae6c8bf807
Az áruház felhívja a figyelmet arra, hogy egyes alkatrészekre sokáig kell várni.

A készletnek nem része a készülékház, ezt a rigai Erica Synth készíti és árulja 100 euróért.
https://www.ericasynths.lv/shop/enclosures/studio/yocto2-case/

Így azért már egészen pofás a cucc. Viszont ha összeadjuk a három összeget, és hozzácsapjuk a három szállítási díjat is, nem az a végeredmény, hogy ez a világ legjobb befektetése. Ha sikerül életet lehelni a Yocto2-be, akkor 16 hangszer szólaltatható meg. A szerkezetbe nyomták a Boss PC-2 egyszerű, monofon ütős szintetizátorát, aminek a hangja amolyan puttyogás, de a paraméterei hatásosan masszírozhatók voltak, és külső jellel is lehetett vezérelni.

Nem kell lenézni ezeket a kis szerkentyűket, mert olcsók voltak, és sok esetben elég, amit tudnak.
A Yocto2-vel 128 ritmusmintát állíthatsz elő, és 16 nóta ritmusát tárolhatod, 999 lépésben. A tempó 30 és 250 bpm között változtatható. Nyolc hangszernek van külön kimenete, s három midi csatlakozója (be, ki, átadó) van. A régebbi Roland gépekkel történő együttműködést DIN Sync teszi lehetővé. A ritmusgép dokumentációja mintaszerű, teljes szerelési és mérési leírás van hozzá. Erre szükség is van, mert a ritmusgép összerakása nem kezdőknek való.

A kapcsolási rajz szerint a zajgenerátorban 2SC828 típusú tranzisztor van; de mint tudod már, ennek zajspektruma nem azonos a Roland számára egykor válogatottal.

Léteznek olyan megszállottak, akik a panelba foglalatot forrasztanak, és addig cserélgetik benne a tranzisztorokat, ameddig a kívánt hangot nem hallják.
2018. tavaszán kezdte szivárogtatni az első információkat a mindig szélsőséges reakciókat kiváltó Behringer, hogy nemsokára elönti a piacot az RD-808 típusú, felületszerelt áramkörökből épített klónjával. Még csak látványtervek voltak és egy videó, a szakmai fórumokon máris kb. ezeroldalnyi – önmagában a Gearslutzon, az egyik legmenőbben, 150 oldalnyi – vélemény jelent meg pro és kontra. Ennyit a szakmai fórumokról.
A Roland magához is nyúlt, és névbitorlás, valamint formaterv lopás miatt perrel fenyegette a Behringert. A cég jogászai nem lettek öngyilkosok, hanem megfordították a ritmusgép színeit, pofásítottak itt-ott, és a készülék 2019-ben be is mutatkozott a rajongók előtt RD-8 Rhythm Designer néven, 300 euró környéki árat belengetve.
https://www.behringer.com/product.html?modelCode=P0DG5
A cucc most is kapható, hazánkban pl. 107-140 ezer forintért. Ez olyan alacsony ár, hogy a versenytársak igyekeztek bizonyítani, miszerint az RD-8 csak egy bóvli. Ez annyiban akár igaz is lehetne, hogy a Behringer a lehető legolcsóbb megoldásokra törekszik, nem a tartósságra, és a garanciális idő után nem szívesen áll szóba a vásárlóival, ha azok reklamálni merészelnek.

Amikor az RD-8 fizikai valósággá vált, meglepő módon megváltozott a hangulat a szaksajtóban. Azt ugyan mindenki elismerte, hogy az RD-8 másképp szól, mint a Roland TR-808, de egyáltalán nem vészesen szól másképp, sőt, bizonyos hangszerek ugyanúgy hangzanak.
Az eredetihez képest a Behringer gépe könnyebben kezelhető, és számos új szolgáltatása van. Ezek közé tartozik a teljeskörű midizés lehetősége mind DIN lyukakon, mind usb-n keresztül.

Az RD-8-ba néhány effektet is építettek. Közülük a legérdekesebb a Wave Designer nevű, ezzel kezdődik az effektlánc. Az effekt a tranziens masszírozó és a kompresszor között helyezkedik el. Képes a tranzienseket ütősebbé tenni, a keveréket az oly divatosan, de számomra kurvára idegesítően jól megpumpálni, és általános lendületet adni az ütősöknek. Jobb volna, ha a Wave Designert ki lehetne kerülni. Utána következik a rezonáns szűrő, amelynek jellege váltható az alul- és felüláteresztő üzemmódok között. Automatizálhatod a szűrő töréspontjának beállítását az egyes mintákon belül, és ez a folyamat rögzíthető is.
A következő videóban a Roland TR-808-at, az e-licktronic Yoctot (nem a 2-es, hanem a korábbi változatot) és a Behringer TR-8-at versenyeztették.
Ez a felvétel egy nagyon alapos teszt része volt, amelynek értékelésekor megállapították, hogy az RD-8 hangja nem annyira kiegyensúlyozott, mint a mintául szereplő TR-808-é, s nem is annyira kifinomult, de ez a legtöbb „modern” hanggenerátorra érvényes. Ezzel együtt a tesztelő amazona.de szakfolyóirat munkatársa nagyon jó vásárlásnak tekintette az RD-8-at. Kisebbfajta olvasói cirkusz is lett ebből, ezért egy másik szakember elvégzett egy hasonló tesztet a Yocto nélkül. Ő más hangzásbeli eltéréseket vett észre, de szerinte is megéri az árát az RD-8, a régiségimádók kivételével egy „igazi” TR-808-ért nem adna senki tízszeres mennyiségű zsetont.
A Behringer sem lehetett teljesen elégedett az RD-8-cal, mert 2021. júliusában forgalomba hozta az RD-8 MKII-t.

Jól látod, kívülről pont úgy néz ki, mint az elődje, az ára is ugyanannyi, de a belsejét a Behringer szerint az alapoktól kezdve, új alkatrészekkel, teljesen újratervezték.
Az RD-8 egyik hibája az volt, hogy a szimmetrikus kimenetek nem voltak igazán szimmetrikusak, a két meleg pont között nem 180° volt a fáziskülönbség. (A szimmetrikus jelvezetésről lásd a sorozat 112. részét.) A másik, hogy bizonyos esetekben hallhatóan zajos volt a cucc a trehány kapcsolóüzemű tápegység miatt. Ezeket a hibákat kijavították, de az igazán nagy szám az, hogy már nemcsak készülékeket, hanem alkatrészeket is klónoznak, vagy legalábbis klónoztatnak.

A Coolaudioval, a Behringer félvezetőgyártó testvércégével együtt sikerült újra létrehozni a 40 éves BA662-t, amely a reklám szerint kulcsszerepet játszott az eredeti TR-808 hangjainak létrehozásában. A lábdob és a lábcsin hangzásán tudtak javítani ezzel.

A BA622 műveleti meredekség erősítő (lásd a sorozat 222. részét), és hogy még durvább legyen a helyzet, nem is a Coolaudio klónozta először, hanem az Open Music Labs, a Roland TB-303 basszusszintetizátor klónozásának részeként.

Persze, a Roland által használt BA662-t sem a Roland gyártotta, hanem a ma is létező Rohm Semiconductor; egyébként a Roland később más típusra cserélte ezt az áramkört, jobb paraméterekkel. Összegezve, a BA662 újbóli gyártása nem a technika csúcsa, ám ha valakinek nem a jó, hanem a korabeli minőség kell, lelke rajta.