Cs. Kádár Péter - XXI. századi diszkónika, 200. Két szerelmes pár
Mindig együtt jár. Az egyik a Hammond orgona, a másik persze, hogy a Leslie hangsugárzó! Az a szerkezet, amely egyértelművé tette, hogy a Hammond orgona nem a sípos orgona jobb-rosszabb utánzata, még akkor sem, ha rengeteg templomban használják orgona helyett.
Holott éppen azzal a céllal mutatta be a feltaláló, Donald James Leslie, a találmányát, hogy otthon is úgy szóljon a Hammond orgona, ahogy a templomi orgonák zengenek. A Hammond orgona ugyanis szerinte egysíkú, száraz, egy idő után unalmas hangot állít elő.
Leslie egy rádiókészülék értékesítő és -javító cégnél dolgozott főállásban, mellékállásban pedig a Hammond Organ Companynál.

Amikor 1941-ben Chicagoban Leslie nyilvánosságra hozta a szerkezetét, Laurens Hammond azonnal kirúgta őt a gyárból, vagyis, miként az a rózsaszín lányregényekben írva vagyon, a szerelmesek felhőtlen egybekelésével szemben akadályok merültek föl. Csak találgathatunk, miért ellenkezett Laurens Hammond. Leslie sosem nyilatkozott erről, legalábbis, az életéről szóló dokumentumokban nincs ennek nyoma. Laurens Hammondnak voltak további ocsmány húzásai, s valószínű, hogy mérnök barátja, a Hammond orgona fejlesztésében fontos szerepet játszó John M. Hanert mérnök társa is tüzelte őt.

Laurens Hammond átalakította a Hammond orgona kimenetét úgy, hogy ahhoz a Leslie hangsugárzó nem tudott csatlakozni – legalábbis, egy ideig. Azoknak a kereskedőknek, akik Hammond orgonákat forgalmaztak, megtiltotta, hogy Leslie cuccát is árusítsák. A vibrátó és a zengető beépítésével be akarta bizonyítani, hogy a Leslie hangsugárzóra nincs semmi szükség. Ám két őszinte szerelmesnek nem lehet parancsolni. A kereskedők röhögtek a tiltáson, és különösen így voltak ezzel a muzsikusok is, akik nem röstellték a koncerteken is összekötni a Hammond orgonát és a Leslie hangsugárzót. Sok-sok éven keresztül tartó, reménytelen harc után Laurens Hammond meghunyászkodott, s azóta a Hammond orgona – Leslie hangsugárzó páros elválaszthatatlan egymástól.
A Leslie hangsugárzó alapelve viszonylag egyszerű: a már többször említett Doppler-effektus.
A Doppler-effektus valóban az a jelenség, mint amit az előbbi videóban láttál, s ebből minket csak a hang érdekel. Vagyis, ha közelít hozzánk egy hangforrás, magasabbnak halljuk a hangját, ha távolodik, mélyebbnek. Azonban önmagában nincs Doppler-effektus. Amikor a hangforrás közelít felénk, hangosabbnak halljuk, amikor távolodik, akkor halkabbnak. Sőt, ha olyan lassan jönne-menne a hangforrás, hogy a Doppler-effektus nem is lenne észlelhető, akkor is megváltozna a hangszíne, mert a levegőben a hangok csillapítása annál nagyobb, minél nagyobb a frekvenciájuk. Tehát hacsak nem tökéletes szinusszal játszunk, a közelítő hangforrás hangszíne dúsabb, élesebb, a távolodóé tompább lesz. Játszik az is, hogy a közeli hangforrás hangvolumenét, méretét nagyobbnak, a távoliért kisebbnek érezzük még akkor is, ha nem is látjuk. Ha ráadásul nem tökéletes szabad térben történik mindez, akkor a visszaverődések is módosítják a hangérzetünket. Ha tehát a Leslie hangsugárzó működésének leírását mélyebben elemezzük – és ez fog történni az alábbiakban –, kiderül, hogy nagyon is furmányos a szerkezet. Elektronikusan sokkal nehezebb is kielégítően utánozni, mint a Hammond orgonát.
Ne felejtsünk el zenélni se!
A következő animáció egy irányított, tehát nem minden irányba ugyanúgy sugárzó hangforrás, hangtölcsér hatását segít elemezni a hallgató szempontjából.

Mint láthatod, a vigyorival (smiley) jelölt hallgató nem középen foglal helyet, hanem inkább jobbközépen. Először képzeld el, hogy a kép tetején, ami felülnézetből a hátsó rész – nincs az a barna csík. A tölcsér szabad térben forog. Ha a forgás az „A” pontból indul, akkor a hallgató úgy érzékeli, hogy a hangforrásnak egy ideig egyre erősödik és magasodik a hangja. Amikor a tölcsér nyílása szembe kerül a hallgatóval, akkor szól a leghangosabban és a legmagasabb hangon. Aztán a „B” pont felé haladva már halkul és mélyül. A leghalkabb és legmélyebb a „C” és a „D” pont között lesz, utána ismét erősödik és magasodik. Na, eddig tán még követhető.
De most figyelj! A vastag vonal egy visszaverő felületet, falat jelképez. A forgó tölcsér nyílása minél távolabb van a faltól, a falról visszaverődő hangot annál mélyebbnek és halkabbnak hallja a hallgató. A legmélyebb és leghalkabb a visszaverődés hangja akkor, amikor a tölcsér nyílása a „B” pont felé néz, a leghangosabb és legmagasabb akkor, amikor a „D” pont felé. A hallgató tehát nemcsak változó hangmagasságú és hangerejű hangot hall, hanem két, a hallgató agyában eggyé váló, összetett hangot is, amelyeknek a frekvenciája eltérő módon változik. Nem vettük figyelembe, hogy a hallgatóhoz a tölcsérből érkező és a falról visszaverődő hangok között ráadásul időkülönbség is van, s azt sem, hogy a falról nem egyetlen pontban verődik vissza a hang. Nem mellékesen, a tölcsér sem pontsugárzó. Ha a tölcsér lassan forog, csupán ennyit érzékel a hallgató, de már ez is pillanatról pillanatra változó, ám ismétlődő, periodikus hanghatás. Vagyis egyszerre kettő. Azt már jól tudod, hogy a frekvencia periodikus változását vibrátónak hívjuk, s tán arra is emlékszel, hogy a hangerő periodikus változását tremolónak. A vibrátó frekvenciamoduláció, a tremoló amplitúdó moduláció. Most tehát két vibrátó és két tremoló van egyidejűleg. Ismétlésként a vibrátót és a tremolót szinuszos jel esetén mutatja az alábbi két ábra.


A tényleges Leslie hangsugárzónak nemcsak egy fala van, hanem három, felül redőnyszerű nyílásokkal. Tehát a visszaverődések további vibrátókat és tremolókat okoznak. A nyílások szűrőként és újabb hangforrásokként is viselkednek, hiszen minden rés egyben elemi hangforrások sorozata is. (Lásd a sorozat 10. fejezetét.). A forgatás sebességétől függ, hogy lassabb hullámzást hallasz-e vagy gyorsabb, lebegő hangot. Hogy még döfjek egyet: a tölcsért mozgató motor fordulatszáma is lötyög, ami ugyan csekély változást jelent adott sebességnél, de fokozza a hatást. Az is nyilvánvaló talán, hogy a hallgató helyzete is meghatározza, hogy éppen mit hall, és hacsak nem szabad térben vagyunk, a szoba vagy koncertterem akusztikájának is van szerepe a végeredményben.
Hű. Ismét muzsikáljunk!
A valódi Leslie hangsugárzóban csak a 800 Hz fölötti hangokra érvényes a tölcséres játék.


A tölcsér rendszer alatt van egy felfelé fordított hangszóró, a tölcséreket pedig motor forgatja. A legteljesebb változatban három fokozat van. Az első, amikor a motor áll, ez a „stop”állás. Ilyenkor is lök hangot a Leslie hangsugárzó, de nincs effekt. A második a lassú fokozat vagy korál állás, a tölcsér fordulatszáma percenként 48. A gyors vagy tremoló fokozatban pedig 400 fordulat/perc a tölcsér forgási sebessége. A Leslie hangsugárzó vibrátója kb. fél hangnyi frekvenciaváltozás érzetet kelt a hallgatóban. Az ábrán azt olvashatod, hogy az egyik tölcsér néma. Ennek csak az a szerepe, hogy a forgás kiegyensúlyozottabb legyen, és a forgás keltette zaj csökkenjen. Mert elfelejtettem mondani, hogy a Leslie hangsugárzó hangjához némi szélzaj is társul, amit legjobban akkor hallasz, amikor a tölcsérek nem kapnak hangot a hangszóróból, de forognak.
Azt is láthatod, hogy a tölcsérben diffúzor kúp is van. Ennek az a szerepe, hogy kicsit szétszórja, lágyítsa a hangot. A baloldali ábra a tölcsér iránysugárzását mutatja kúp nélkül, a jobboldali kúppal.

A Leslie hangsugárzó mély szekciója… Ja, nem. Előtte zene.
Tehát a 800 Hz-alatti jelek egy lefelé fordított mélysugárzóba kerülnek.

Az ívelt terelő lemez egy forgó dobban van, ezt szintén motor hajtja. A mély és a magas rész fordulatszáma általában azonos, de érdekes hatás származik abból is, hogy a mély rész a nagyobb tömeg miatt lassabban fut föl, illetve áll le.
Mivel a terelő lap a mély hangokat periodikusan hol jobban, hol kevésbé takarja el, az eredmény amplitúdómoduláció, vagyis tremoló. Elsősorban 200 Hz fölött hallatszik.
Akkor most nézzük az egészet egybe!

A Hammond orgonából egy speciális csatlakozón keresztül érkezik a jel a Leslie hangsugárzó végerősítőjébe. Az erősítő kimenetére hangváltó csatlakozik. Ez az áramkör a magas szekció számára 800 Hz-től kezdve 12 dB/oktáv meredekséggel vágja a mélyeket, tehát másodfokú felüláteresztő szűrő. (Lásd a sorozat 63. részét.) Ugyanez az áramkör a mély szekció számára 800 Hz-es törésponttal, 12 dB/oktáv meredekséggel vágja a magas hangokat, tehát másodfokú aluláteresztő szűrő. Az ilyen áramkört hangváltónak nevezik. A két szekció hangszórói a Leslie hangsugárzó középső rekeszében vannak, a magas hangszóró felfelé, a mély lefelé néz. A magas szekcióban a hangszóróra tett tölcsér forog, a mély szekció hangszórója egy forgatott, ívelt lemezre szórja a hangot. Vizslassad meg ugyanezt egy animált képen!

A számjegyek jelentése fentről lefelé:1 - forgó tölcsér, 2 - magas hangszóró, 3 - magas motor, 4 - hangváltó, 5 - mély motor, 6 - mély hangszóró, 7 - a hangsugárzó burkolata, 8 - hajlított, forgó lemez, 9 - a rajz nem mutatja az erősítőt.
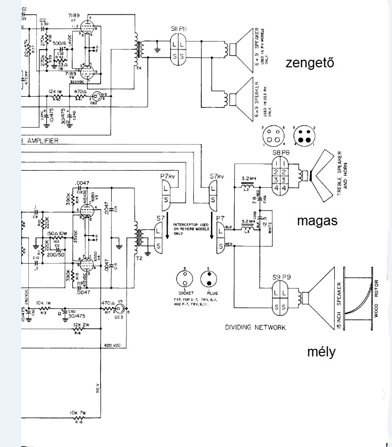
Ha már szóba került az erősítő, ebből is többféle készült. A csöves változatok egyik legteljesebb kiépítésű modelljének kapcsolása látható az ábrán. Nem annyira a rajz az érdekes, hanem az, hogy a Leslie hangsugárzónak készült rugós zengetős változata is. Arról azonban nem szól a fáma, hogy ennek egy vagy két hangsugárzóját hol helyezték el.

Egy Leslie hangsugárzónál már csak kettő jobb. Érdekes módon ezeket gyakran egymás mellé teszik.
S akkor egy összefoglaló, amit a kép alatti linkre kattintva nézhetsz meg magyar nyelven:
