Cs.Kádár Péter - XXI. századi Diszkónika, 21. A spenótosztó
Nem tudom, ki találta ki, hogy a parajpüré ehető, mindenesetre, a finomfőzelék még annál is nagyobb merénylet a babákkal szemben. Most azonban maradunk a spenótnál. Tegyük föl, hogy ketten vagytok testvérek, és mindketten hajlandóak vagytok megenni ezt a zöld trutyit. Jelzem, ha ez a lány kérné, még én is megenném, pedig mennyire utálom...

Édesanyátok egy nagy fazéknyi pürét főz. Egy ekkora nagy fazékkal, hogy mindketten jól lakjatok.

Az nyilvánvaló, hogy nem lehet több spenótot elosztani, mint ami a fazékban, a spenótforrásban van. Tegyük föl viszont azt is, hogy ti ketten az összes főzeléket felzabáljátok. A fene a gusztusotokat... Tegyük föl még azt is, hogy tányérból fogtok papizni, és a tányérok akkorák, hogy az összes püré beléjük fér. Képlettel ez így írható föl:
![]()
Ha édesanyátok igazságos akar lenni, mindketten ugyanakkora tányérnyi spenótot kaptok.

Egy-egy tányérban feleannyi spenót van, mint amennyi a fazékban volt.
Most tegyük föl, hogy te sokkal jobban szereted a spenótot, mint a testvéred. Ezért a te tányérod – az 1. tányér – sokkal nagyobb lesz, mint a tesódé.

A két tányérban levő spenót összege természetesen most is egyenlő azzal, ami a fazékban volt.
Végül elképzelhető, hogy a tesód spenót igénye jóval nagyobb, mint a tied, ezért a te tányérod lesz kisebb, az övé meg nagyobb. Van olyan jó fantáziád, hogy ezt ábra nélkül is megérted. A lényeg, hogy a fazékban levő spenót a tányérok nagyságának arányában osztható szét.
Jó étvágyat!
Az áramkörök spenótosztóját feszültségosztónak nevezik. A fazék a feszültségforrás – elem vagy elektromos hálózat –, a tányérok pedig a fogyasztók, az ellenállások. Az ellenállásokat egymás után kötöttük. Az ilyen elrendezést soros kapcsolásnak hívják.

Először arra vagyunk kíváncsiak, hogy a két ellenállás találkozásánál mekkora a feszültség a kapcsolás aljához képest. (Mert ugye tudjuk, hogy feszültség mindig két pont között van, és sohasem esik.) A forrásfeszültséget bemenő feszültségnek (Ube), a találkozási pont feszültségét kimenő feszültségnek (Uki) nevezzük.
Nyilvánvaló, hogy miként a spenótosztó esetében, itt is feleakkora a kimenő feszültség, mint a bemenő, ha R1=R2. Ube két egyenlő részre oszlik. Ha mondjuk Ube=10 volt, R1 és R2 is 1 ohm, akkor Uki = 5 volt lesz.
Ha R2 jóval nagyobb, mint R1, akkor a bemenő feszültségből is jóval több jut R2-re, mint R1-re. Legyen Ube=10 volt, R1=1 ohm, R2=9 ohm! Ekkor R1-en 1 volt, R2-n 9 volt feszültség lesz, tehát Uki = 9 volt.
Ha viszont R2 jóval kisebb, mint R1, akkor az R2-n levő feszültség is jóval kisebb lesz, mint R1-en. Tehát ha Ube = 10 volt, R1 = 9 ohm, R2 = 1 ohm, akkor R1-en 9 volt, R2-n pedig 1 volt feszültség lesz, vagyis Uki = 1 volt.
Most nézzük azt is is meg, mi van akkor, ha R1 értéke 0 ohm! Ilyenkor a teljes bemenő feszültség R2-n van, Tehát Uki = Ube. Fordított esetben, ha R2 értéke 0 ohm, akkor a teljes bemenő feszültség R1-en van, tehát Uki = 0 volt.
A kimenő feszültség értékét képlettel is ki lehet számolni.

Ez fontos képlet, hogy még automata is van hozzá a neten.
http://www.bsselektronika.hu/index.php?w=qOblYo1Rof

Ezen az oldalon bármely három adatból ki tudod számolni a negyediket. Sőt, ha tudod, hogy mekkora a két ellenállás eredője, továbbá a bemenő és a kimenő feszültség, akkor kijön, hogy mekkora az R1 és az R2.
De hogyan is számolható ki két ellenállás eredője? Az ellenállás az arámmal szembeni ellenszegülés mértéke. Ha az ellenállások egymás után vannak kapcsolva, az olyan, mintha egy olyan úton mennél, amely egymást követő szakaszokból áll.

Minél hosszabb az út, annál jobban elfáradsz. Minél hosszabb egy-egy útszakasz, annál hosszabb az egész út. Az útszakaszokat – az ellenállásokat – tehát egyszerűen össze kell adni ahhoz, hogy megkapjuk az eredőjüket. Ez nemcsak két, hanem bármennyi sorba kapcsolt ellenállásra érvényes.
![]()

Az automatánk tényleg kiszámolja a két ellenállás értékét.
Természetesen a feszültségosztóhoz is lehet játékot találni, a már ismert, és Java alapon működő játszóterünkön.
https://phet.colorado.edu/hu/simulation/legacy/circuit-construction-kit-dc

Töltsd le és indítsd el a játékot! Egy elemre kössél sorba két ellenállást, és kapcsolj az egyikre feszültségmérőt! Pipáld be az „értéket mutat” kockát! Ha úgy gondolod, tetszésed szerint állíthatsz be elemfeszültség- és ellenállás értékeket.

A hangtechnikában kétféle feszültségosztót használunk. Az egyikkel lépcsőzetesen lehet állítani a kimenő feszültség értékét. Ezt inkább professzionális célokra – például keverőasztalok „elején” – alkalmazzák, ahol fontos, hogy ugyanarra az értékre tudjunk visszaállni.

A másik, a gyakoribb, amikor folyamatosan kell szabályozni a kimenő feszültséget. Volt már szó róla, potenciométernek, potméternek nevezik ezt az alkatrészt. A bemenő feszültséget a potméter két végére kapcsolják, vagyis a szerkezet teljes ellenállására. Ezt az ellenállást a rajta végighaladó csúszka osztja két ellenállás részre. A csúszka egyik végállásában Uki = Ube (pl. teljes hangerő), a másik végállásában Uki =0 (pl. csend). A kettő között bármilyen érték beállítható. Az ábrán a potméter szabványos rajzjele is látható.

Az ellenállásokból – pontosabban, ohmos ellenállásokból – felépített osztók váltóáramon is ugyanúgy osztanak, mint egyenáramon. Gyakran – de még milyen gyakran – van szükség azonban olyan osztókra, amelyek osztása a rezgésszámtól függ. Az ilyen osztókat szűrőknek nevezzük.
A legegyszerűbb szűrők egy ellenállásból és vagy egy tekercsből, vagy egy kondenzátorból állnak.
Legyen az osztónk például ilyen:
Kössünk a bemenetre egyenfeszültséget! Mivel a kondenzátor egyenfeszültségen végtelen ellenállású, olyan, mintha ott se volna.

Ilyenkor tehát Uki = Ube, vagyis nincs osztás. Ha váltófeszültséget kapcsolunk a bemenetre, a kondenzátor ellenállása, reaktanciája annál kisebb, minél nagyobb a bemenő jel frekvenciája. Ez azt jelenti, hogy ahogy nő a frekvencia, úgy csökken a kimenő feszültség. Vagyis a szűrő a lassabb rezgéseket jobban, a gyorsabbakat kevésbé engedi át. A mély hangok rezgésszáma kisebb, mint a magasaké. Az ilyen szűrőt aluláteresztő vagy magasvágó szűrőnek hívjuk.
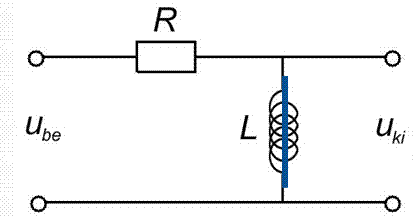
Most legyen az osztónk ilyen:

Egyenáramon a tekercs ellenállása nulla, tehát minden feszültség az R ellenállásra jut; Uki = Ube.

Ha a frekvenciát növeljük, a tekercs reaktanciája egyre nagyobb lesz, az R ellenálláson egyre kisebb lesz a feszültség. Ezzel a kapcsolással is tudunk hát aluláteresztő, felülvágó szűrőt készíteni.
A következő kapcsolásban ismét kondenzátort és ellenállást használunk.

Ha egyenfeszültséget kapcsolunk a bemenetre, a kondenzátor nem engedi át az áramot, tehát Uki =0.

Ha viszont váltófeszültséget kötünk a bemenetre, a kondenzátor reaktanciája annál kisebb, minél nagyobb a jel frekvenciája, vagyis a kondenzátor ellenállásához képest az R ellenállás egyre nagyobb lesz. A kisebb rezgésszámú rezgéseket, a mély hangokat kevésbé, a szaporább, magas hangokat jobban átengedi a szűrő, ezért alulvágó, felüláteresztő szűrőnek hívjuk.
Felüláteresztő, alulvágó szűrőt másképp is lehet készíteni.

Ha Ube egyenfeszültség, akkor a tekercs ellenállása nulla ohm, rövidre zárja a kimenetet, vagyis Uki = 0.

Ha Ube váltófeszültség, akkor ahogy nő a frekvencia, úgy nő a tekercs reaktanciája is, vagyis annál nagyobb lesz a tekercsen levő feszültség, Uki.
Összefoglalva:

Mivel kondenzátort nagy sorozatban könnyebb gyártani, mint tekercset, amikor csak lehet, kondenzátoros szűrőt használunk.